LEMON Manuals: Even more car manuals for everyone
Home >> Ford >> 1988 >> Bronco II 4WD, Standard, M5OD-R1 >> Repair and Diagnosis >> Engine Performance >> System >> EEC-IV CEC System >> Quick Test >> Test D22 - Integral Relay Control Module (IRCM)

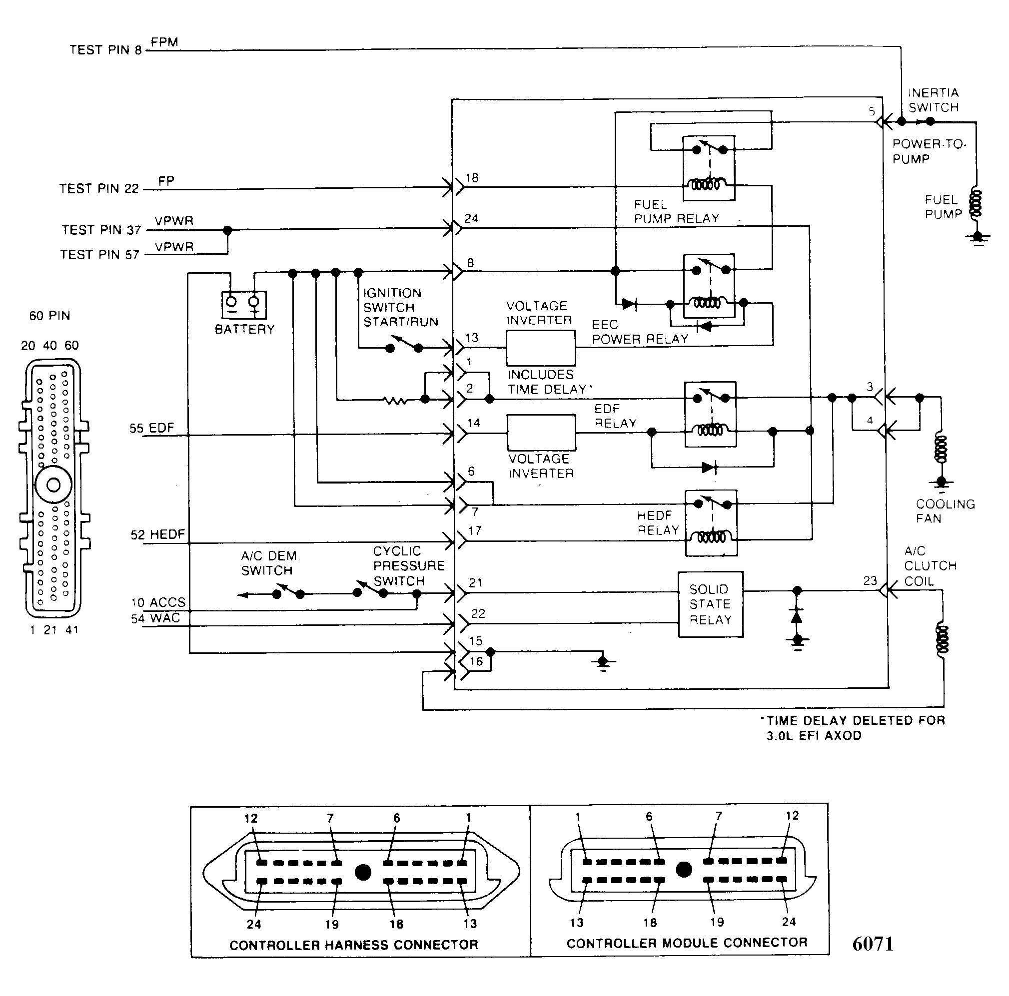
Test D22 - Integral Relay Control Module (IRCM)

NOTE: Perform this test only when KOEO SELF-TEST Codes 72, 78, 82, 83, 87, 88, 95 or 96 are displayed, or when you are directed here by CIRCUIT TEST A1, CIRCUIT TEST A3, or by DIAGNOSIS BY SYMPTOM TEST.
Fig 1: 2.5L A/T AXOD MPFI
G6071

To prevent replacement of good components, be aware that the following non-EEC related areas may be at fault: fuel lines and fuel filters, contaminated fuel, fuel pump, ignition switch, battery cables and ground straps, alternator and voltage regulator, A/C clutch or A/C demand, and cooling fan motor.

  1. Checking Battery Supply Voltage  - With KOEO, set DVOM on 20-volt scale. Measure voltage across battery terminals. If reading is less than 10.5 volts, service or replace discharged battery. If reading is 10.5 volts or more, go to next step.
  2. Checking Battery Ground  - With KOEO, and ECA connected, set DVOM on 20-volt scale. Measure voltage between negative battery post and SIGNAL RETURN circuit in SELF-TEST connector. If reading is less than .5 volt, go to step 6). If reading is .5 volt or more, go to next step.
  3. Isolating Ground Fault  - Turn key off. Disconnect ECA 60-pin connector. Inspect for and repair any damaged wiring. Install breakout box and connect ECA. Turn key on, leaving engine off. Set DVOM on 20-volt scale. Measure voltage between negative battery post and test pins No. 40 and 60. If one or both readings are .5 volt or more, repair open in circuit(s) and repeat QUICK TEST  . If both readings are less than .5 volt, go to next step.
  4. ECA Ground Fault Isolation  - Turn key off and wait 10 seconds. With breakout box installed and ECA connected, set DVOM on 200-ohm scale. Measure resistance between test pins No. 46 and 40, and between test pins No. 46 and 60. If one or both readings are 5 ohms or more, disconnect ECA connector. Inspect connector for damage, repair if necessary and repeat this step. If fault is still present, replace ECA and repeat QUICK TEST  . If both readings are less than 5 ohms, go to next step.
  5. Checking Continuity of Signal Return Circuit  - Turn key off and wait 10 seconds. With breakout box and ECA connected, set DVOM on 200-ohm scale. Measure resistance between test pin No. 46 and SIGNAL RETURN circuit at SELF-TEST connector. If reading is less than 5 ohms, system is okay. Repeat QUICK TEST  . If reading is 5 ohms or more, correct cause of high resistance in SIGNAL RETURN circuit. Repeat QUICK TEST.
  6. Measure Voltage and Ground to IRCM  - Turn key off and disconnect Integral Relay Control Module (IRCM). Set DVOM on 20-volt scale. Measure voltage between IRCM harness connector pin No. 8 (battery positive) and pin No. 15 (ground). If reading is less than 10.5 volts, go to step 9). If reading is 10.5 volts or more, go to next step.
  7. Key Power to IRCM  - With key off, disconnect IRCM and set DVOM on 20-volt scale. Turn key on. Measure voltage between pins No. 13 (+) and 15 (-) at IRCM harness connector. If reading is less than 10.5 volts, repair open between pin No. 13 and ignition switch. Connect IRCM and repeat QUICK TEST  . If reading is 10.5 volts or more, go to next step.
  8. Checking Continuity of VPWR Circuit  - Turn key off. Disconnect IRCM and ECA 60-pin connector. Inspect for and repair any damaged wiring. Install breakout box, leaving ECA disconnected. Set DVOM on 200-ohm scale. Measure resistance between test pins No. 37 and 57 at the breakout box to IRCM harness connector pin No. 24. If reading is 5 ohms or more, repair open in VPWR circuit. Connect IRCM and repeat QUICK TEST  . If reading is less than 5 ohms, replace IRCM and repeat QUICK TEST.
  9. Checking Continuity of Power Ground to IRCM  - With key off and IRCM disconnected, set DVOM on 200-ohm scale. Measure resistance from negative battery post to IRCM harness connector pin No. 15. If reading is 5 ohms or more, repair open in ground circuit to IRCM harness connector pin No. 15. Repeat QUICK TEST  . If reading is less than 5 ohms, repair open in battery positive to pin No. 8 of IRCM harness connector. Repeat QUICK TEST.
  10. Code 72: Intermittent Open in VPWR Circuit  - Code 72 indicates that while key power was present voltage to the IRCM was interrupted, or electrical noise caused the ECA to reset. Driveability problems such as, stalling, high idle, lack of power on acceleration or other drive symptoms could result. Possible causes for this fault are: intermittent open in VPWR circuit between IRCM and ECA, intermittent fault in EEC power relay, intermittent open in VBAT circuit of IRCM, intermittent open in KEY POWER circuit or EEC harness too close to spark plug wires. Using CONTINUOUS MONITOR (WIGGLE) TEST  , observe VOM or diagnostic tester for indication of fault while wiggling, bending, or twisting harness from IRCM to ECA and from ignition switch to battery positive terminal. If fault is indicated or if Code 72 reappears, repair intermittent fault in VPWR circuit and repeat QUICK TEST  . If fault is not found or if codes do not reappear, inspect all component and harness connectors for damaged pins, corrosion, or loose wires. Repair if necessary. If okay, replace IRCM and repeat QUICK TEST.
  11. Checking Power to Fuel Pump(s)  - With KOEO, locate and disconnect fuel pump(s). Set DVOM on 20-volt scale. Measure voltage between CHASSIS GROUND and POWER-to-PUMP circuit at fuel pump while cranking engine. If reading is 8.0 volts or more, service electric fuel pump system. If reading is less than 8.0 volts, go to next step.
  12. Checking Power-to-Pump Circuit Continuity  - With key off and DVOM on 200-ohm scale, disconnect IRCM and fuel pump(s). Measure resistance between IRCM harness connector pin No. 5 and POWER-to-PUMP circuit at harness connector at fuel pump(s). If reading is less than 5 ohms, replace IRCM. Connect all components and repeat QUICK TEST  . If reading is 5 ohms or more, repair open in POWER-to-PUMP circuit. Connect IRCM and repeat QUICK TEST.
  13. Checking Power-to-Pump Circuit For Shorts to Power  - With key off and DVOM on 200K-ohm scale, disconnect IRCM and fuel pump(s). Measure resistance between pin No. 5 and pin No. 24 at IRCM harness connector. Measure resistance between pin No. 5 at the IRCM harness connector and battery positive post. If any reading is less than 10K ohms, repair short circuit. Connect all components and attempt to start vehicle. If vehicle runs, repeat QUICK TEST  . If vehicle does not run, replace IRCM and repeat QUICK TEST. If all readings are 10K ohms or more, replace IRCM and repeat QUICK TEST.
  14. Code 83 or 87: Checking Continuity of Fuel Pump Circuit  - Code 83 or 87 indicates voltage output for the high or low fuel pump circuit did not change when activated during KOEO SELF-TEST. Possible causes for this fault are: open or grounded fuel pump circuit, open or grounded ECA driver or disconnected or open solenoid. Turn key off. Disconnect ECA 60-pin connector. Inspect for and repair any damaged wiring. Install breakout box, leaving ECA disconnected. Disconnect IRCM and set DVOM on 200-ohm scale.
    • Code 83: Measure resistance of fuel pump(s) circuit, from breakout box test pin No. 22 to IRCM harness connector pin No. 18.
    • Code 87: Measure resistance between breakout box test pin No. 41 and IRCM harness connector pin No. 11.
    If reading is 5 ohms or more, repair open in fuel pump circuit. Connect all components and repeat QUICK TEST  . If reading is less than 5 ohms, go to next step.
  15. Checking Fuel Pump Circuit For Shorts to Ground  - With key off, breakout box installed, and ECA and IRCM disconnected, set DVOM on 200K-ohm scale.
    • Code 87: Measure resistance between test pin No. 22 and test pins No. 37, 57 and battery positive post. Measure resistance between test pins No. 22, 40, 60 and battery negative terminal.
    • Code 83: Measure resistance between test pin No. 41 and test pins No. 37, 57 and battery positive post. Measure resistance between test pins No. 41 and test pins No. 40, 60 and battery negative terminal.
    If any reading is less than 10K ohms, repair fuel pump(s) circuit shorts to power or ground. Connect all components and repeat QUICK TEST  . If Code 83 or 87 is still present, go to next step. If all readings are 10K ohms or more, go to next step.
  16. Checking Fuel Pump Relay Coil Resistance  - Turn key off. Disconnect IRCM and set DVOM on 200-ohm scale. Disconnect ECA and install breakout box. Measure resistance of IRCM between pins No. 18 and 24 or pins No. 11 and 24. If resistance is between 65 and 100 ohms, replace ECA. Connect all components and repeat QUICK TEST  . If resistance is not between 65 and 100 ohms, replace IRCM. Connect all components and repeat QUICK TEST.
  17. No Fan Operation  - Turn key off. Disconnect IRCM and set DVOM on 20-volt scale. Measure voltage between battery negative post and IRCM harness connector pins No. 1, 2, 6, and 7. If any reading is less than 10.5 volts, service open in power circuit. Re-evaluate symptom. If all readings are 10.5 volts or more, go to next step.
  18. Checking Fan Motor Operation  - Turn key off and disconnect IRCM connector. Install a jumper wire between IRCM harness connector pins No. 3 and 6. If cooling fan does not run, go to step 20). If cooling fan runs, go to next step.
  19. Checking Fan Low Speed  - Turn key off. Connect IRCM and disconnect ECA. Turn key on. If fan does not run at low speed, replace IRCM. Connect ECA and re-evaluate symptom. If fan runs at low speed, go to step 22).
  20. Measuring Voltage Supply at Fan  - With key off, disconnect cooling fan and IRCM. Install a jumper wire between IRCM harness connector pins No. 3 and 6. Set DVOM on 20-volt scale and measure voltage at cooling fan harness connector. If reading is 8.0 volts or more, replace cooling fan motor and re-evaluate symptom. If reading is less than 8.0 volts, go to next step.
  21. Checking Cooling Fan Ground Circuit  - Turn key off. Disconnect cooling fan and IRCM. Install a jumper wire between IRCM harness connector pins No. 3 and 6. Set DVOM on 20-volt scale. Measure voltage between positive terminal at cooling fan harness connector and battery negative post. If reading is 8 volts or more, repair open in ground circuit to fan. After repairs, connect IRCM and re-evaluate symptom. If reading is less than 8 volts, repair open in power-to-fan circuit from pins No. 3 and 4 of IRCM harness connector to cooling fan connector. After repairs, connect IRCM and re-evaluate symptom.
  22. Connecting High Speed Electric-Drive Fan Signal (HEDF) to Ground  - Turn key off. Disconnect ECA 60-pin connector. Inspect for and repair any damaged wiring. Install breakout box, leaving ECA disconnected. Turn key on. With IRCM connected, install a jumper wire between test pins No. 52 and 40. If fan does not run at high speed, replace IRCM. Connect ECA and re-evaluate symptom. If fan runs at high speed, go to next step.
  23. Checking ECT Sensor  - Connect ECA and check engine coolant level. Warm engine to normal operating temperature. Turn key off and wait 10 seconds. Disconnect Engine Coolant Temperature (ECT) sensor harness. Set DVOM on 200K-ohm scale. Measure resistance of ECT sensor. If reading is between 1500 and 2000 ohms, replace ECA. Connect all components and re-evaluate symptom. If reading is not between 1500 and 2000 ohms, replace ECT sensor. Connect all components and re-evaluate symptom.
  24. Checking A/C Pressure Switch Harness Continuity  - With key off, install breakout box and connect ECA. Disconnect A/C pressure switch. Set DVOM on 200K-ohm scale. Measure resistance between test pin No. 2 at the breakout box and A/C pressure switch circuit at the harness connector. Measure resistance between test pin No. 46 at the breakout box and SIGNAL RETURN at the A/C pressure switch harness connector. If both resistances are less than 5 ohms, go to next step. If resistances are greater than 5 ohms, remove breakout box, repair open circuit and rerun QUICK TEST  .
  25. Checking HEDF Operation  - With key off, disconnect A/C pressure switch. Jumper A/C pressure circuit to SIGNAL RETURN at the switch vehicle harness connector. Turn key on. If HEDF is on, replace A/C pressure switch. If HEDF is not on, replace ECA, reconnect components and rerun QUICK TEST  .
  26. Code 83 Displayed: Check HEDF Circuit Resistance  - Code 83 indicates a failed HEDF circuit. Turn key off and disconnect IRCM. Set DVOM on 200-ohm scale. Measure resistance of IRCM between pins No. 17 and 24. If reading is not between 50 and 100 ohms, replace IRCM and repeat QUICK TEST  . If reading is between 50 and 100 ohms, go to next step.
  27. Checking HEDF ECA Signal to IRCM For Open  - Turn key off. Disconnect ECA 60-pin connector. Inspect for and repair any damaged wiring. Install breakout box, leaving ECA disconnected. Disconnect IRCM connector. Set DVOM on 200-ohm scale and measure continuity between test pin No. 52 and IRCM harness connector pin No. 17. If reading is greater than 5 ohms, repair open in HEDF circuit. Connect all components and repeat QUICK TEST  . If reading is 5 ohms or less, go to next step.
  28. Checking HEDF Circuit For Shorts to Ground  - With key off, breakout box installed, and ECA and IRCM disconnected, set DVOM on 200K-ohm scale. Measure resistance between test pins No. 52 and 40. If reading is 10K ohms or less, repair short to ground in HEDF circuit. Reconnect components and repeat QUICK TEST  . If reading is greater than 10K ohms, go to next step.
  29. Checking HEDF Circuit For Short to Power  - With key off, breakout box installed, and ECA and IRCM disconnected, set DVOM on 200K-ohm scale. Measure resistance between test pins No. 52 and 37. If reading is more than 10K ohms, replace ECA. Connect all components and repeat QUICK TEST  . If reading is 10K ohms or less, repair short to power. Connect all components and repeat QUICK TEST. If Code 83 is still present, replace ECA and repeat QUICK TEST.
  30. Low Speed Fan Always On  - Turn key off. Disconnect ECA 60-pin connector. Inspect for and repair any damaged wiring. Install breakout box, leaving ECA disconnected. Disconnect IRCM and set DVOM on 200-ohm scale. Measure resistance between test pin No. 55 and IRCM harness connector pin No. 14. If reading is more than 5 ohms, repair open in EDF circuit. Connect all components and re-evaluate symptom. If reading is 5 ohms or less, go to next step.
  31. Checking EDF Circuit For Shorts to Power  - With key off, breakout box installed, and ECA and IRCM disconnected, set DVOM on 200K-ohm scale. Measure resistance between test pins No. 55 and 37, and from test pin No. 55 to battery positive post. If reading is 10K ohms or less, repair short to power in EDF circuit, and then go to next step. If reading is more than 10K ohms, go to next step.
  32. Checking EDF Circuit For Short to Ground  - With key on, breakout box installed and ECA disconnected, connect IRCM. Install a jumper wire between test pin No. 55 and test pins No. 40 or 60 (ground). If cooling fan continues to run, replace IRCM, reconnect components and re-evaluate symptom. If cooling fan stops running, replace ECA. Re-evaluate symptom.
  33. Check A/C Pressure Switch Input  - With key off, disconnect vehicle harness at A/C pressure switch. Turn key on. If fan still runs, reconnect components and go to next step. If fan does not run, replace A/C pressure switch and re-evaluate symptom.
  34. Check A/C Pressure Switch For Short to Ground  - With key on, disconnect ECA 60-pin connector. Inspect for and repair any damaged wiring. Install breakout box, leaving ECA disconnected. Disconnect IRCM and set DVOM on 200K-ohm scale. Measure resistance between test pin No. 2 and test pins No. 40, 46 and 60. If resistance is less than 10K ohms, repair short circuit, remove breakout box and reconnect components. Re-evaluate system. If resistance is greater than 10K ohms, go back to step 30).
  35. Checking Fan Voltage  - Turn key off. Disconnect IRCM and set DVOM on 20-volt scale. Measure voltage between battery negative post and pins No. 1 and 2 at IRCM harness connector. If readings are less than 10.5 volts, repair open in power circuit and re-evaluate symptom. If reading is 10.5 volts or more, go to next step.
  36. Checking Fan Motor  - Turn key off and disconnect IRCM connector. Install a jumper wire between IRCM harness connector pins No. 1 and 3. If cooling fan does not run, go to step 38). If cooling fan runs, go to next step.
  37. Checking Fan Run Mode  - With key off and ECA disconnected, connect IRCM. Turn key on. If cooling fan does not run, go to step 39). If cooling fan runs, go to step 41).
  38. Measure Battery Voltage at Fan: By-Pass IRCM  - Turn key off. Disconnect cooling fan harness and IRCM connector. Install a jumper wire between IRCM harness connector pins No. 1 and 3. Set DVOM on 20-volt scale and measure voltage at cooling fan harness connector. If reading is 8.0 volts or more, replace cooling fan and re-evaluate symptom. If reading is less than 8.0 volts, go to step 40).
  39. Checking EDF Circuit For Short to Ground  - Turn key off. Disconnect ECA and IRCM. Set DVOM on 200K-ohm scale and measure resistance between IRCM harness connector pins No. 14 and 15. If resistance is 10K ohms or more, replace IRCM. Connect all components and re-evaluate symptom. If reading is less than 10K ohms, repair short to ground in EDF circuit. Connect all components and re-evaluate symptom.
  40. Checking Cooling Fan Ground Circuit  - Turn key off and disconnect cooling fan. Disconnect IRCM connector. Install a jumper wire between IRCM harness connector pins No. 1 and 3. Set DVOM on 20-volt scale and measure voltage between cooling fan harness connector and battery negative terminal. If reading is 8.0 volts or more, repair open in fan ground circuit. Connect IRCM and re-evaluate symptom. If reading is less than 8.0 volts, repair open in power-to-fan circuit from IRCM harness connector pins No. 3 and 4 to cooling fan connector. Connect IRCM and re-evaluate symptom.
  41. Checking ECT Sensor  - Connect ECA and check engine coolant level. Warm engine to normal operating temperature. Turn key off and wait 10 seconds. Disconnect ECT sensor. Set DVOM on 200K-ohm scale and measure resistance of ECT sensor. If reading is between 1500 and 2000 ohms, replace ECA. Connect all components and re-evaluate symptom. If reading is not between 1500 and 2000 ohms, replace ECT sensor. Connect all components and re-evaluate symptom.
  42. Checking Voltage at A/C Clutch  - Turn key on, leaving engine off. Place A/C demand switch to A/C "ON" position. Set DVOM on 20-volt scale and check voltage at A/C clutch harness connector. If voltage reading is 10.5 volts or more, service A/C compressor and/or system. If voltage is less than 10.5 volts, go to next step.
  43. Checking Continuity of IRCM to A/C Clutch Circuit  - Turn key off and disconnect IRCM connector. Set DVOM on 200-ohm scale. Measure resistance between IRCM harness connector pin No. 23 and power circuit terminal pin at A/C clutch harness connector. Also measure resistance between IRCM harness connector pin No. 16 and ground circuit at A/C clutch harness connector. If readings are more than 5 ohms, repair open in power or ground A/C circuit(s) and re-evaluate symptom. If readings are 5 ohms or less, go to next step.
  44. NOTE: DO NOT  use diagnostic tester in step 44), use VOM/DVOM only. Enter OUTPUT STATE CHECK as specified in test. For additional information see OUTPUT STATE CHECK  under DIAGNOSTIC AIDS.
  45. Turn key off and wait 10 seconds. Disconnect ECA 60-pin connector. Inspect for and repair any damaged wiring. After inspection, reconnect breakout box and ECA. Set DVOM on 20-volt scale. Connect DVOM negative test lead to Self-Test Output (STO) and positive lead to battery positive terminal. Using jumper wire, connect Self-Test Input (STI) to signal return at SELF-TEST connector. Perform KOEO SELF-TEST until completion of CONTINUOUS SELF-TEST codes (DVOM will read zero volts). DVOM should change to a high voltage reading. If DVOM did not change, depress throttle to WOT and release. If STO voltage still does not go high, go to TEST D16  , step 1). If DVOM changes, remain in OUTPUT STATE CHECK and go to next step.
  46. Checking WAC Output Operation  - With KOEO, place A/C demand switch to A/C "ON" position. Set DVOM on 20-volt scale. Connect DVOM positive test lead to pin No. 37 and negative test lead to test pin No. 54. While observing DVOM, depress and release throttle several times (to cycle output on and off). If voltage output does change, go to step 47). If voltage output changes, go to next step.
  47. Checking Voltage at A/C Clutch Switch  - With key on, engine off and A/C demand switch in A/C "ON" position, verify that breakout box is installed and that ECA and IRCM are connected. Set DVOM on 20-volt scale and measure voltage between test pins No. 10 and 40. If reading is less than 10.5 volts, go to step 48). If reading is 10.5 volts or more, go to next step.
  48. Checking Continuity of ACCS to IRCM Circuit  - Turn key off and wait 10 seconds. Disconnect ECA and IRCM connectors. Set DVOM on 200-ohm scale and measure resistance between test pin No. 10 and IRCM harness connector pin No. 21. If reading is more than 5 ohms, service open in ACCS circuit and re-evaluate symptom. If reading is 5 ohms or less, replace IRCM and re-evaluate symptom.
  49. Checking ACCS Circuit Continuity  - Turn key off and wait 10 seconds. Place A/C demand switch to A/C "ON" position. Set DVOM on 200-ohm scale and measure resistance between test pin No. 10 and A/C demand switch. If reading is 5 ohms or less, EEC system is okay. Service A/C system. If reading is more than 5 ohms, repair open in switch circuit. Repeat QUICK TEST  .
  50. Checking Continuity in WAC to IRCM Circuit  - Turn key off and wait 10 seconds. Disconnect ECA 60-pin connector. Inspect for and repair any damaged wiring. Install breakout box, leaving ECA disconnected. Disconnect IRCM connector. Set DVOM on 200-ohm scale and measure resistance between test pin No. 54 and IRCM harness connector pin No. 22. If reading is more than 50 ohms, repair open in WAC circuit and re-evaluate symptom. If reading is 50 ohms or less, go to next step.
  51. Checking WAC Circuit For Shorts to Ground  - Turn key off and wait 10 seconds. Leave breakout box installed and ECA disconnected. Disconnect IRCM connector. Set DVOM on 200-ohm scale. Measure resistance between test pins No. 54 and 40, and between test pins No. 54 and 46, and between test pin No. 54 and battery negative post. If any reading is less than 10K ohms, repair shorts to ground in WAC circuit and re-evaluate symptom. If all readings are 10K ohms or more, go to next step.
  52. Checking WAC Circuit For Short to Power  - Turn key off and wait 10 seconds. Leave breakout box installed, and ECA disconnected. Disconnect IRCM connector. Set DVOM on 200K-ohm scale. Measure resistance between test pins No. 54 and 37, and between test pin No. 54 and battery positive post. If any reading is less than 10K ohms, repair shorts to power in WAC circuit and then go to next step. If all readings are 10K ohms or more, go to next step.
  53. Checking Voltage at A/C Clutch  - Turn key off and wait 10 seconds. Leave breakout box installed, and ECA disconnected. Connect IRCM connector and disconnect A/C clutch harness. Place A/C demand switch to A/C "ON" position. With KOEO, set DVOM on 20-volt scale and measure voltage at A/C clutch harness connector. If reading is more than 10.5 volts, replace ECA and re-evaluate symptom. If reading is less than 10.5 volts, replace IRCM and re-evaluate symptom.
  54. Code 88: Checking EDF Signal to IRCM For Short to Ground  - If fan is always on with Code 88, go to step 55). With key off, disconnect ECA 60-pin connector. Inspect for and repair any damaged wiring. Install breakout box, leaving ECA disconnected. Disconnect IRCM connector. Set DVOM on 200K-ohm scale and measure resistance between test pins No. 40 and 55. If reading is 10K ohms or less, repair short to ground in EDF circuit. Connect all components and repeat QUICK TEST  . If reading is more than 10K ohms, go to next step.
  55. Check Fan Running Mode  - With key off and breakout box installed, disconnect ECA and connect IRCM connector. Turn key on.
    • On 2.5L CFI manual transmission equipped vehicles, cooling fan should run.
    • On 2.5L CFI A/T vehicles, cooling fan should run at low speed.

    If fan runs as indicated, replace ECA. Connect all components and repeat QUICK TEST  . If fan does not run as indicated, replace IRCM. Connect all components and repeat QUICK TEST.

  56. Code 88: Check EDF Signal to IRCM For Open Circuit  - Turn key off. Disconnect ECA 60-pin connector. Inspect connector for damaged pins, corrosion, or loose wires. Repair if necessary. Install breakout box, leaving ECA disconnected. Disconnect IRCM connector. Set DVOM on 200-ohm scale and measure resistance between breakout box test pin No. 55 and pin No. 14 at IRCM harness connector. If reading is 5 ohms or less, go to next step. If not, repair open in EDF circuit. Connect all components and repeat QUICK TEST  .
  57. Checking EDF Circuit For Short to Power  - Turn key off. Install breakout box, leaving ECA disconnected. Disconnect IRCM connector. Set DVOM on 200K-ohm scale. Measure resistance between test pins No. 55 and 37, and from test pin No. 55 to battery positive terminal. If readings are 10K ohms or less, repair short to power in EDF circuit. After repairs, go to next step. If readings are greater than 10K ohms, go to next step.
  58. Checking EDF For Shorts to Ground  - Turn key off. Install breakout box, leaving ECA disconnected. Ensure IRCM is properly connected. Turn key on. Using jumper wire, connect test pin No. 55 to test pins No. 40 or 60. If fan continues to run, replace IRCM. Connect all components and repeat QUICK TEST  . If fan does not run, replace ECA. Connect all components and repeat QUICK TEST.
  59. Code 95: Check Inertia Switch  - A KOEO SELF-TEST Code 95 indicates one of the following:
    • Open circuit in fuel pump or between fuel pump and FPM circuit.
    • Poor fuel pump ground connection.
    • Short in fuel pump power circuit.
    • Fuel pump relay contacts always closed.
    Turn key off and wait 10 seconds. Locate and disconnect fuel pump inertia switch. Set DVOM on 200-ohm scale. Measure resistance of fuel pump inertia switch. If resistance is less than 5 ohms, reconnect inertia switch and go to next step. If resistance is more than 5 ohms, replace or reset inertia switch, rerun QUICK TEST  .
  60. Checking That Fuel Pump is Off  - Turn key off. Listen for fuel pump. If pump is still running go to next step. If pump is off, go to step 61).
  61. Checking For Closed Fuel Pump Relay  - With key off, locate and disconnect IRCM. If fuel pump shuts off when controller is disconnected, replace IRCM and rerun QUICK TEST  . If pump does not shut off, repair short in POWER-to-PUMP (FPM) circuit. Rerun QUICK TEST.
  62. Checking Continuity of FPM Circuit  - With key off, disconnect ECA 60-pin connector. Inspect connector for damaged pins, corrosion, or loose wires. Repair if necessary. Install breakout box, leaving ECA disconnected. Disconnect IRCM connector. Set DVOM on 200-ohm scale and measure resistance between FPM circuit at the breakout box and IRCM harness pin No. 5. If resistance is less than 5 ohms, go to next step. If resistance is greater than 5 ohms, repair open circuit and rerun QUICK TEST  .
  63. Checking FPM Circuit Ground Continuity  - With key off, disconnect ECA 60-pin connector. Inspect connector for damaged pins, corrosion, or loose wires. Repair if necessary. Install breakout box, leaving ECA disconnected. Disconnect IRCM connector. Set DVOM on 200-ohm scale and measure resistance between FPM circuit at breakout box and battery negative terminal. If resistance is less than 5 ohms, replace ECA, reconnect and test system. If resistance is greater than 5 ohms, repair fuel pump circuit or replace fuel pump and rerun QUICK TEST  .
  64. Code 59 or 96: Fuel Pump Power Circuit Continuity  - A Code 59 or 96 indicates that when fuel pump is activated, no power is supplied to pump. Turn key off and wait 10 seconds. Disconnect ECA 60-pin connector. Inspect connector for damaged pins, corrosion, or loose wires. Repair if necessary. Install breakout box, leaving ECA disconnected. Disconnect IRCM connector. Set DVOM on 200-ohm scale and measure resistance between FPM circuit at breakout box and IRCM harness connector pin No. 5. If resistance is less than 5 ohms, go to next step. If resistance is greater than 5 ohms, repair open in power to pump circuit between FPM splice and IRCM. Rerun QUICK TEST  .
  65. Checking Fuel Pump Operation  - With key off, disconnect ECA 60-pin connector. Install breakout box, reconnect ECA and IRCM. Set DVOM on 20-volt scale. Connect DVOM between FPM circuit and test pin No. 40, at the breakout box. Observe DVOM and turn key to "ON" position. If voltage is 10.5 or more volts, for approximately one second after key is turned on, replace ECA and rerun QUICK TEST  . If voltage does not increase to specification, replace IRCM and rerun QUICK TEST.
  66. Continuous Memory Code 95: Checking EEC-IV Harness  - A Code 95 indicates that there is an open circuit in the fuel pump or between the fuel pump and FPM circuit in the ECA. The fuel pump ground circuit is poor. Start engine and test for stalling or stumble while performing CONTINUOUS MONITOR (WIGGLE) TEST  on fuel pump and ECA harness. Perform "WIGGLE" TEST on fuel pump ground circuit. Lightly tap on fuel pump to duplicate road shock. Turn key off and inspect connections for corrosion or damage. If no fault is found, go to next step. If fault is found, repair it, clear memory codes, and retest.
  67. Checking FPM Circuit  - Turn key off. Disconnect ECA 60-pin connector. Inspect connector for damaged pins, corrosion or loose wires. Repair if necessary. Install breakout box, leaving ECA disconnected. With KOEO, connect a test light between FRM circuit and test pin No. 37. Observe test light while performing CONTINUOUS MONITOR (WIGGLE) TEST  on the monitor circuit (pin No. 8) between the ECA and the connection at the power to pump circuit. If fault is found, fault cannot be duplicated at this time. Clear memory codes for future testing.
  68. Continuous Memory Code 59 or 96: Check For Code 83 or 87 Also Displayed  - If Code 83 or 87 is also present, go to step 69). If Code 83 or 87 is not present, go to next step.
  69. Checking EEC-IV Harness  - A Continuous Memory Code 59 or 96, without the presence of a Continuous Memory Code 83 or 87, indicates that during vehicle operation the fuel pump relay contacts have opened or that there is an open in the POWER-to-PUMP circuit from the IRCM pin No. 5 to the FPM splice. Start engine and listen for fuel pump stopping, stall or stumble while performing "CONTINUOUS MONITOR (WIGGLE) TEST  on pump power circuit from IRCM. Inspect harness and connectors with key off. If a fault is found, isolate and repair, clear codes and retest. If no fault is found, problem cannot be duplicated at this time. Clear codes for future testing sequence.
  70. Continuous Memory Code 83 or 87: Checking EEC-IV Harness  - A Continuous Memory Code 83 or 87 indicates that during vehicle operation there has been an open condition in the VPWR circuit of the IRCM, an open coil in the fuel pump relay, or an open in the fuel pump primary circuit. Start engine and listen for fuel pump stopping, stall or stumble while performing CONTINUOUS MONITOR (WIGGLE) TEST  on EEC-IV harness fuel pump circuit (pin No. 22 or 41) between the ECA and IRCM (pin No. 18 or 11). Inspect harness and connectors with key off. If a fault is found, isolate and repair, clear codes and retest. If no fault is found, problem cannot be duplicated at this time. Clear codes for future testing sequence.