LEMON Manuals: Even more car manuals for everyone
Home >> Fiat >> 1977 >> 128 Base >> Repair and Diagnosis >> Engine Performance >> Engine Control Systems >> Exhaust Gas RECIRCULATION System >> Operation

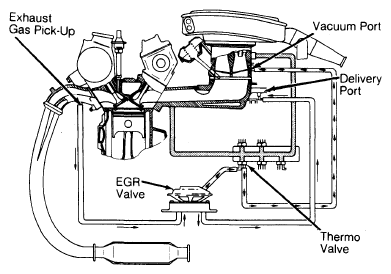
Exhaust Gas RECIRCULATION System: Operation

Exhaust gases are picked up from the exhaust manifold. The EGR valve is placed in circuit between the exhaust and intake manifolds to control the flow of exhaust gas. The valve is actuated by exhaust back pressure and regulated by a ported vacuum signal. The vacuum signal is taken from a port above the throttle plate in the carburetor. The vacuum signal is interrupted by the thermo valve which senses engine coolant temperature.

With the engine cold the thermo valve is closed. This blocks the vacuum signal to the EGR valve. The EGR valve remains closed, preventing recirculation of exhaust gases. Thus, the air/fuel mixture is not diluted during cold engine operation.

Fig 1: Exhaust Gas Recirculation System (Typical)
G09313182Courtesy of NOT AVAILABLE

With the engine warm the thermo valve is opened. This applies a vacuum signal to the EGR valve. This signal, in combination with exhaust gas back-pressure, will cause the EGR valve to open, allowing recirculation of exhaust gases. Due to the positioning of the vacuum signal port in the carburetor bore, the recirculation of gases is greatest under high engine loads.