LEMON Manuals: Even more car manuals for everyone
Home >> Eagle >> 1989 >> Premier ES >> Repair and Diagnosis >> Engine Performance >> System >> 2.5L Systems/Tests W/Codes >> Diagnostic Trouble Codes (DTC) >> Fault 1016 - Low Mat Sensor Line

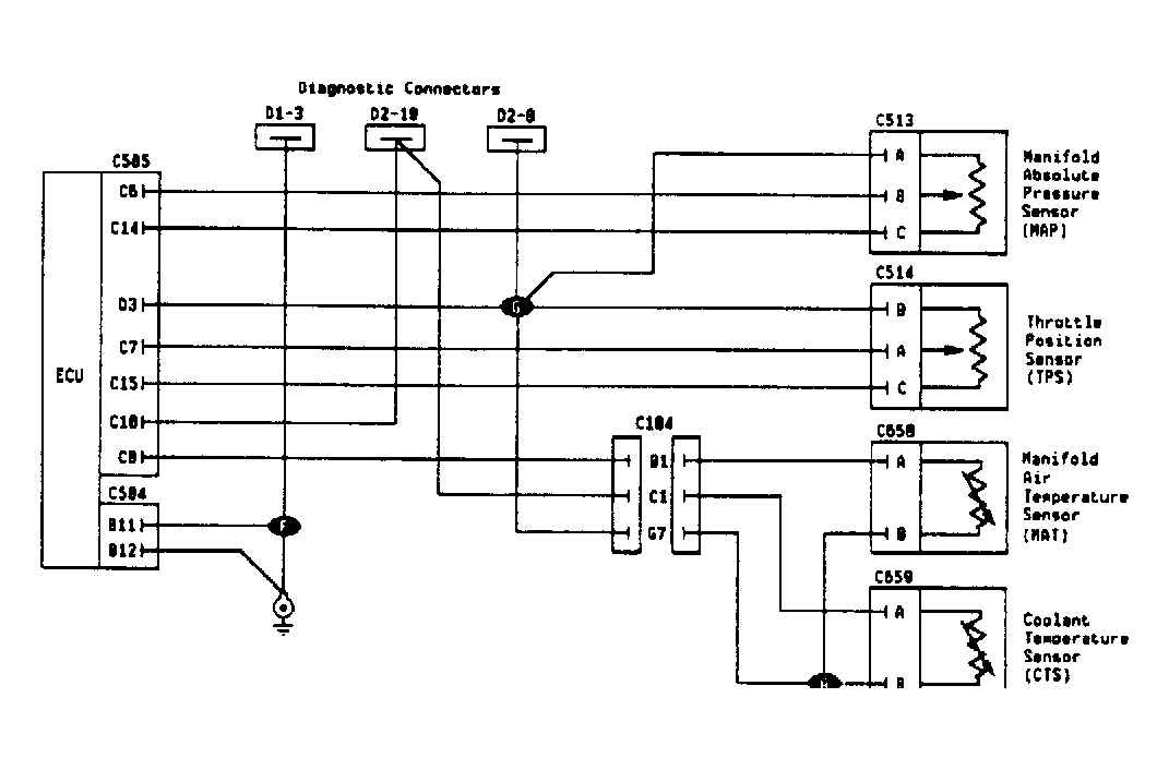
Fault 1016 - Low Mat Sensor Line

Fig 1: Fault 1016 (1 of 2) - MAT Sensor Schematic
G108150
Fig 2: Fault 1016 (2 of 2) - MAT Sensor Line low Flow Chart
G108151