LEMON Manuals: Even more car manuals for everyone
Home >> Dodge and Ram >> 2017 >> Viper GTC >> Repair and Diagnosis >> Steering >> Steering Control Systems >> (Steering Control Module (SCM) - Electrical Diagnostics) >> DTC Troubleshooting >> U1008-00-Lin 1 Bus >> Notes

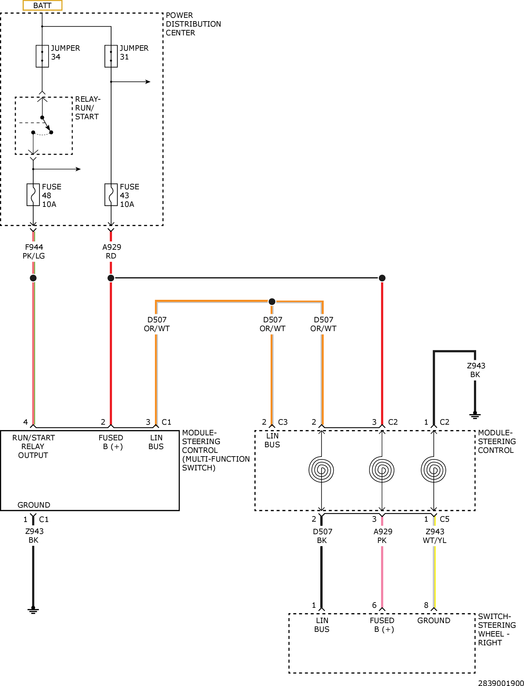
U1008-00-Lin 1 Bus: Notes

For a complete wiring diagram, refer to appropriate SYSTEM WIRING DIAGRAMS article  .

GC0157021Courtesy of CHRYSLER GROUP, LLC