LEMON Manuals: Even more car manuals for everyone
Home >> Dodge and Ram >> 2011 >> Durango Express, AWD >> Repair and Diagnosis >> External Pages >> Different car >> Section 237 ((Front Control Module (FCM) - Electrical Diagnostics)) >> Diagnosis and Testing >> B2314-Wiper On/Off Control Circuit High >> Notes

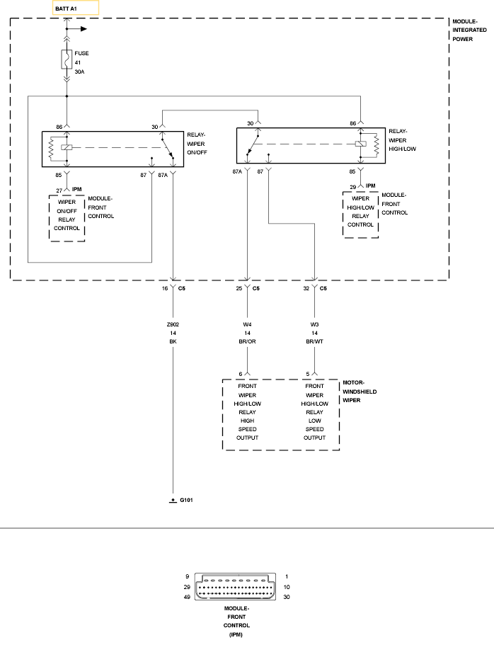
B2314-Wiper On/Off Control Circuit High: Notes

WARNING: This page is about a different car, the 2011 RAM Dakota. However, it is still accessible from the selected car via links, so may be relevant.
Fig 1: Wiper On/Off Control Wiring Diagram
GC0113573Courtesy of CHRYSLER LLC

For a complete wiring diagram, refer to appropriate SYSTEM WIRING DIAGRAMS article  .