LEMON Manuals: Even more car manuals for everyone
Home >> Dodge and Ram >> 2011 >> Durango Express, AWD >> Repair and Diagnosis >> External Pages >> Different car >> Section 237 ((Front Control Module (FCM) - Electrical Diagnostics)) >> Diagnosis and Testing >> B213B-Ignition Run (Remote Start) Control Circuit Low >> Notes

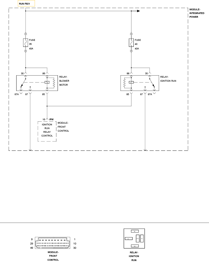
B213B-Ignition Run (Remote Start) Control Circuit Low: Notes

WARNING: This page is about a different car, the 2011 RAM Dakota. However, it is still accessible from the selected car via links, so may be relevant.
Fig 1: Ignition Run (Remote Start) Control Wiring Diagram
GC0113558Courtesy of CHRYSLER LLC

For a complete wiring diagram, refer to appropriate SYSTEM WIRING DIAGRAMS article  .