LEMON Manuals: Even more car manuals for everyone
Home >> Dodge and Ram >> 2009 >> Durango Hybrid >> Repair and Diagnosis >> Engine Performance >> Ignition System >> (Front Control Module (FCM) - Electrical Diagnostics) >> DTC Troubleshooting >> P0685-Auto Shutdown Relay Control Circuit >> Wiring Diagram

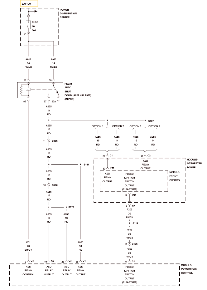
P0685-Auto Shutdown Relay Control Circuit: Wiring Diagram

Fig 1: Auto Shutdown Relay Control Circuit
GC0106290Courtesy of CHRYSLER LLC

For complete wiring diagrams, refer to SYSTEM WIRING DIAGRAMS .