LEMON Manuals: Even more car manuals for everyone
Home >> Dodge and Ram >> 2009 >> Durango Hybrid >> Repair and Diagnosis >> Engine Performance >> Ignition System >> (Front Control Module (FCM) - Electrical Diagnostics) >> DTC Troubleshooting >> B106B-Rear Defrost Control Circuit Low >> Wiring Diagram

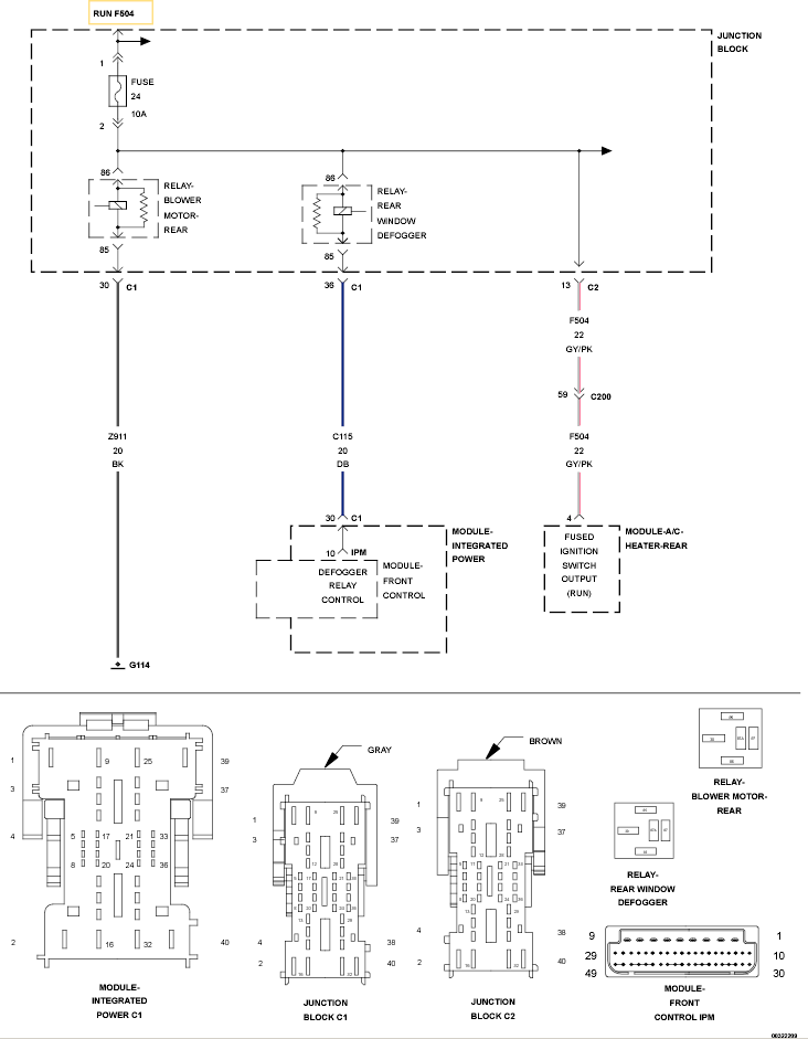
B106B-Rear Defrost Control Circuit Low: Wiring Diagram

Fig 1: Rear Defrost Control Circuit
GC0106155Courtesy of CHRYSLER LLC

For complete wiring diagrams, refer to SYSTEM WIRING DIAGRAMS .