LEMON Manuals: Even more car manuals for everyone
Home >> Dodge and Ram >> 2009 >> Durango Hybrid >> Repair and Diagnosis >> Accessories & Equipment >> Memory Modules >> (Front Control Module (FCM) - Electrical Diagnostics) >> DTC Troubleshooting >> P0693-Cooling Fan 2 Relay Control Circuit Low >> Wiring Diagram

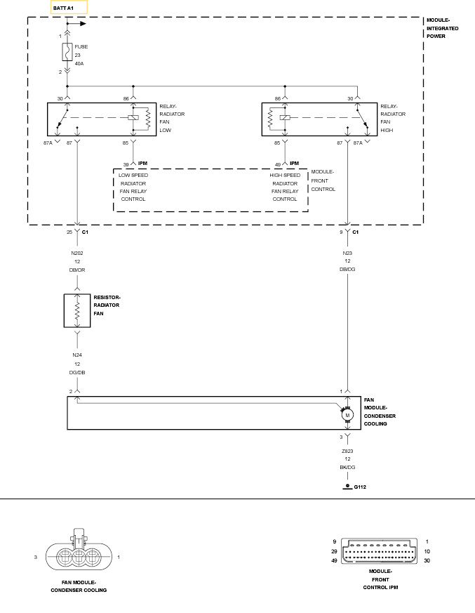
P0693-Cooling Fan 2 Relay Control Circuit Low: Wiring Diagram

Fig 1: Cooling Fan 2 Relay Control Circuit
GC0106279Courtesy of CHRYSLER LLC

For complete wiring diagrams, refer to SYSTEM WIRING DIAGRAMS .