LEMON Manuals: Even more car manuals for everyone
Home >> Dodge and Ram >> 2009 >> Durango Hybrid >> Repair and Diagnosis >> Accessories & Equipment >> Memory Modules >> (Front Control Module (FCM) - Electrical Diagnostics) >> DTC Troubleshooting >> B1659-Front Fog Lamp Control Circuit Low >> Wiring Diagram

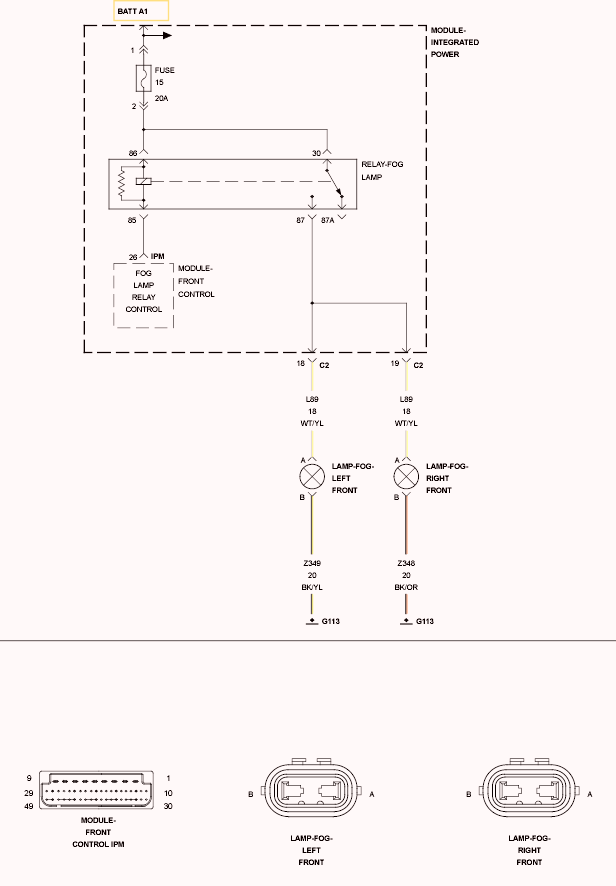
B1659-Front Fog Lamp Control Circuit Low: Wiring Diagram

Fig 1: Fog Lamp Control Circuit
GC0106177Courtesy of CHRYSLER LLC

For complete wiring diagrams, refer to SYSTEM WIRING DIAGRAMS .