LEMON Manuals: Even more car manuals for everyone
Home >> Chrysler >> 2010 >> PT Cruiser >> Repair and Diagnosis >> Restraints >> Restraints Control Systems >> Occupant Classification Module (OCM) - Electrical Diagnostics >> DTC Troubleshooting >> B212C-Ignition Run/Start Input Circuit Open >> Circuit Schematic

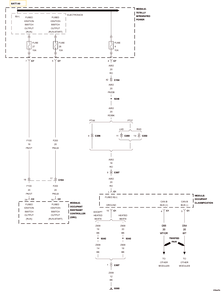
Circuit Schematic

Fig 1: Fused Ignition Switch Output Circuit Schematic
GC0116690Courtesy of CHRYSLER LLC