LEMON Manuals: Even more car manuals for everyone
Home >> Chrysler >> 2009 >> Sebring Base, 2D Convertible, ED3 >> Repair and Diagnosis >> External Pages >> Different variant/trim >> Section 16 (Powertrain Control Module (Pcm) - Electrical Diagnostics - 41TE Automatic Transmission) >> DTC Troubleshooting >> P0755-2/4 Solenoid Circuit >> Circuit Schematic

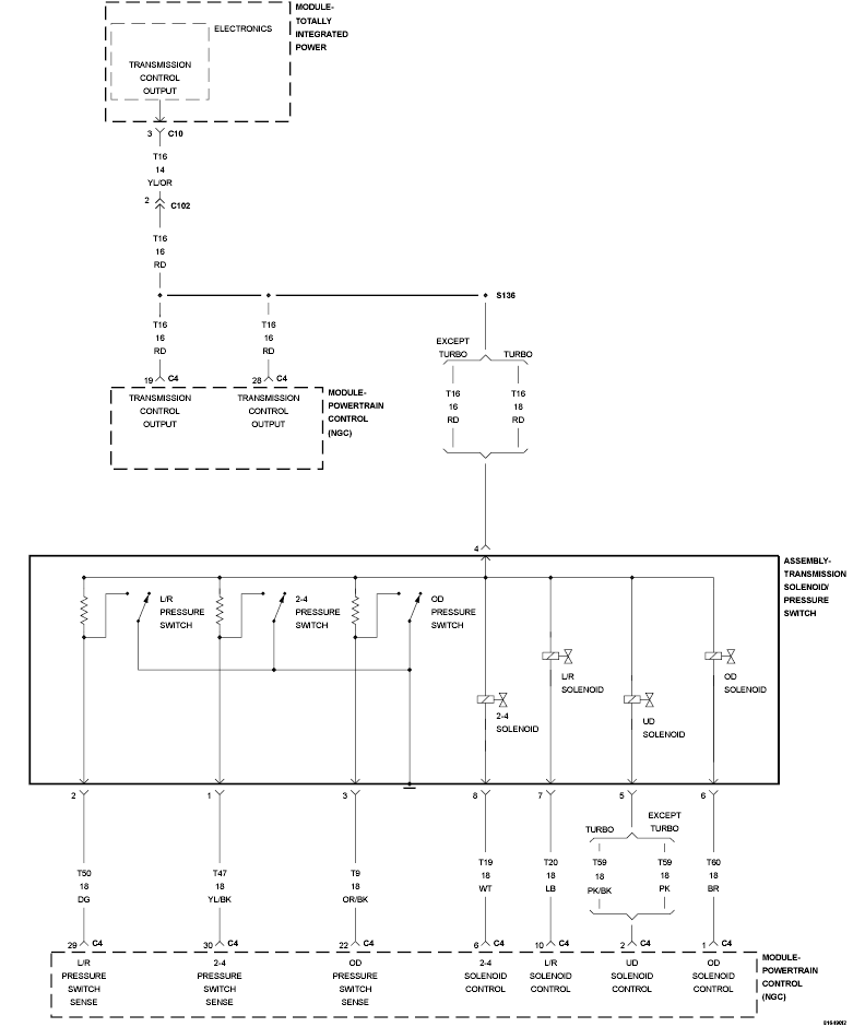
Circuit Schematic

WARNING: This page is about a different variant/trim than selected.
Fig 1: Pressure Switch Sense & Solenoid Control Circuit Schematic
GC0117371Courtesy of CHRYSLER LLC