LEMON Manuals: Even more car manuals for everyone
Home >> Chrysler >> 2009 >> Sebring Base, 2D Convertible, ED3 >> Repair and Diagnosis >> External Pages >> Different car >> Section 52 ((Powertrain Control Module (Pcm) - Electrical Diagnostics - 40TE Automatic Transmission - GPEC)) >> DTC Troubleshooting >> P0706-Transmission Range Sensor Rationality >> Circuit Schematic

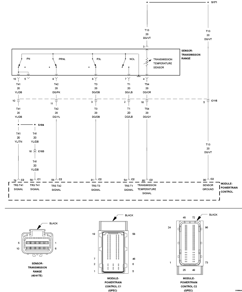
Circuit Schematic

WARNING: This page is about a different car, the 2010 Dodge Avenger and 2010 Chrysler Sebring. However, it is still accessible from the selected car via links, so may be relevant.
Fig 1: Transmission Range Sensor Circuit Schematic
GC0124011Courtesy of CHRYSLER LLC