LEMON Manuals: Even more car manuals for everyone
Home >> Chrysler >> 2009 >> 300 Signature Series >> Repair and Diagnosis >> Accessories & Equipment >> Memory Modules >> Memory Seat Module (MSMD) - Electrical Diagnostics >> DTC Troubleshooting >> B1D91-Steering Column Tilt Position Sensor Circuit Low >> Circuit Schematic

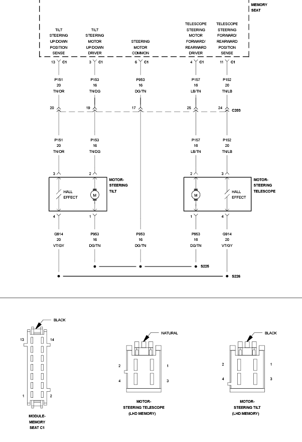
Circuit Schematic

Fig 1: Steering Column Telescope Position Sensor Circuit - Circuit Schematic
GC0097056Courtesy of CHRYSLER LLC