LEMON Manuals: Even more car manuals for everyone
Home >> Chrysler >> 2007 >> Sebring Base, 2.4 K >> Repair and Diagnosis >> External Pages >> Different car >> Section 214 (Electronic Control Modules (Service Information)) >> MODULE, Powertrain Control >> Installation >> 2.7 3.5L (NGC)

2.7 3.5L (NGC)

WARNING: This page is about a different car, the 2010 Dodge Avenger and 2010 Chrysler Sebring. However, it is still accessible from the selected car via links, so may be relevant.
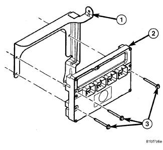
Fig 1: 2.7 3.5L (NGC) PCM FROM BRACKET
GC0120943Courtesy of CHRYSLER LLC
  1. Install the Powertrain Control Module (PCM) (2) to bracket (1). Tighten bolts (3) to 5 N.m (45 in. lbs.).
    Fig 2: 2.7 3.5L NCG REMOVAL
    GC0120942Courtesy of CHRYSLER LLC
  2. Install the PCM and bracket (4) to vehicle.
  3. Install bolt (3) to lower shock tower fastener and tighten to 9 N.m (80 in. lbs.).
  4. Install nut (1) to upper shock tower stud and tighten to 9 N.m (80 in. lbs.).
  5. Connect the electrical connectors (2) to PCM.
  6. Install Air Cleaner Housing. Refer to the appropriate service information.
  7. Connect negative battery cable and tighten to 16.5 N.m (145 in. lbs.).
  8. Reprogram radio stations and time.
  9. Program the PCM. See DTC-Based Diagnostics/MODULE, Powertrain Control (PCM) - Standard Procedure .