LEMON Manuals: Even more car manuals for everyone
Home >> Chrysler >> 2007 >> Sebring Base, 2.4 K >> Repair and Diagnosis >> Engine Performance >> System >> Engine Controls - System & Component Testing - NGC >> *Checking The Ignition Coil Operation >> Notes

*Checking The Ignition Coil Operation: Notes

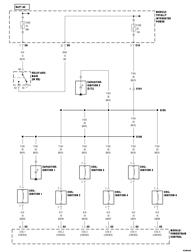
Fig 1: Ignition Coil Secondary Circuit Schematic
GC0059441Courtesy of CHRYSLER LLC

For complete wiring diagrams, refer to SYSTEM WIRING DIAGRAMS .