LEMON Manuals: Even more car manuals for everyone
Home >> Chrysler >> 2007 >> Crossfire Base, 2D Convertible >> Repair and Diagnosis >> External Pages >> Different car >> Section 172 ((Body Control Module (BCM) - Electrical Diagnostics)) >> DTC Troubleshooting >> DTC 9075: Horn Control Circuit High >> Notes

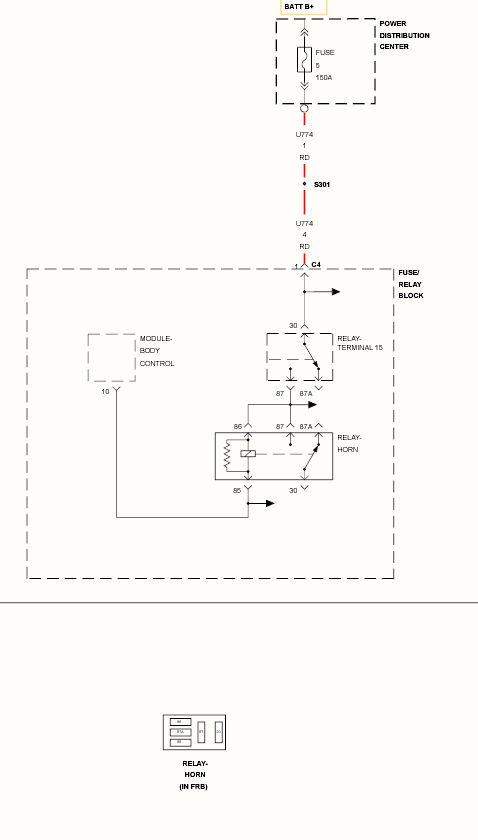
DTC 9075: Horn Control Circuit High: Notes

WARNING: This page is about a different car, the 2009 Dodge Sprinter. However, it is still accessible from the selected car via links, so may be relevant.
GC0134759Courtesy of CHRYSLER LLC

For complete wiring diagrams, refer to SYSTEM WIRING DIAGRAMS .

Possible Causes 
HORN RELAY
HORN RELAY CONTROL CIRCUIT SHORTED TO VOLTAGE
BODY CONTROL MODULE (BCM)