LEMON Manuals: Even more car manuals for everyone
Home >> Chrysler >> 2007 >> Crossfire Base, 2D Convertible >> Repair and Diagnosis >> External Pages >> Different car >> Section 172 ((Body Control Module (BCM) - Electrical Diagnostics)) >> DTC Troubleshooting >> DTC 9073: Rear/Side Door Lock Circuit High >> Notes

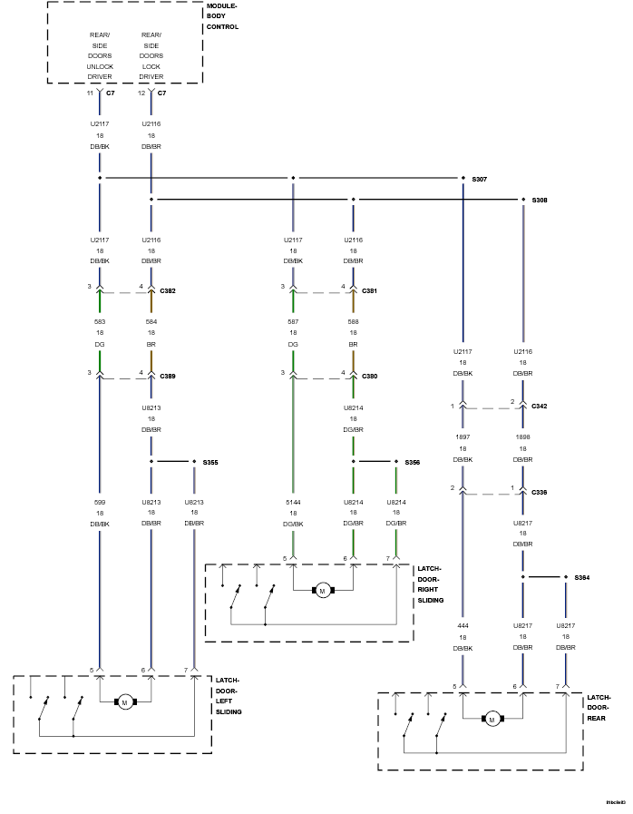
DTC 9073: Rear/Side Door Lock Circuit High: Notes

WARNING: This page is about a different car, the 2009 Dodge Sprinter. However, it is still accessible from the selected car via links, so may be relevant.
GC0134752Courtesy of CHRYSLER LLC

For complete wiring diagrams, refer to SYSTEM WIRING DIAGRAMS .

Possible Causes 
REAR/SIDE DOORS LOCK DRIVER CIRCUIT SHORT TO VOLTAGE
REAR/SIDE DOORS UNLOCK DRIVER CIRCUIT SHORT TO VOLTAGE
REAR/SIDE DOORS LOCK DRIVER CIRCUIT OPEN
REAR/SIDE DOORS UNLOCK DRIVER CIRCUIT OPEN
BODY CONTROL MODULE (BCM)