LEMON Manuals: Even more car manuals for everyone
Home >> Chrysler >> 2007 >> Crossfire Base, 2D Convertible >> Repair and Diagnosis >> External Pages >> Different car >> Section 172 ((Body Control Module (BCM) - Electrical Diagnostics)) >> DTC Troubleshooting >> DTC 9070: Passenger Door Lock Control Circuit High >> Notes

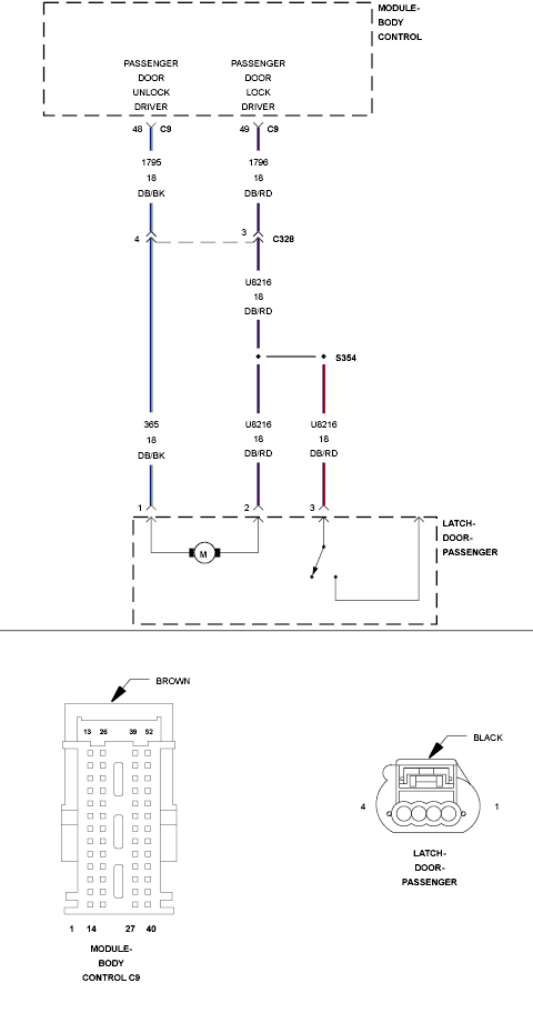
DTC 9070: Passenger Door Lock Control Circuit High: Notes

WARNING: This page is about a different car, the 2009 Dodge Sprinter. However, it is still accessible from the selected car via links, so may be relevant.
GC0134745Courtesy of CHRYSLER LLC

For complete wiring diagrams, refer to SYSTEM WIRING DIAGRAMS .

Possible Causes 
PASSENGER DOOR LOCK DRIVER CIRCUIT OPEN
PASSENGER DOOR UNLOCK DRIVER CIRCUIT OPEN
DOOR LATCH
BODY CONTROL MODULE (BCM)