LEMON Manuals: Even more car manuals for everyone
Home >> Chrysler >> 2007 >> Crossfire Base, 2D Convertible >> Repair and Diagnosis >> External Pages >> Different car >> Section 172 ((Body Control Module (BCM) - Electrical Diagnostics)) >> DTC Troubleshooting >> DTC 906D: Right Vent Window Control Circuit High >> Notes

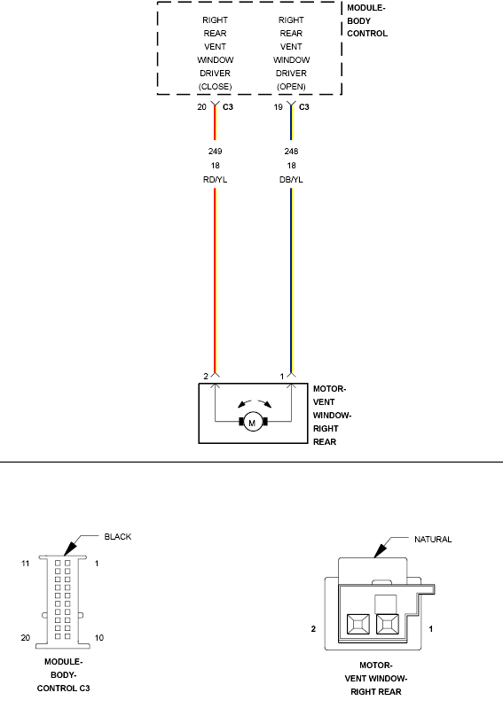
DTC 906D: Right Vent Window Control Circuit High: Notes

WARNING: This page is about a different car, the 2009 Dodge Sprinter. However, it is still accessible from the selected car via links, so may be relevant.
GC0134734Courtesy of CHRYSLER LLC

For complete wiring diagrams, refer to SYSTEM WIRING DIAGRAMS .

Possible Causes 
RIGHT REAR VENT WINDOW DRIVER (OPEN) CIRCUIT OPEN
RIGHT REAR VENT WINDOW DRIVER (CLOSE) CIRCUIT OPEN
RIGHT REAR VENT WINDOW DRIVER (OPEN) CIRCUIT SHORT TO VOLTAGE
RIGHT REAR VENT WINDOW DRIVER (CLOSE) CIRCUIT SHORT TO VOLTAGE
RIGHT REAR VENT MOTOR
BODY CONTROL MODULE (BCM)