LEMON Manuals: Even more car manuals for everyone
Home >> Chrysler >> 2007 >> Crossfire Base, 2D Convertible >> Repair and Diagnosis >> External Pages >> Different car >> Section 16 ((Electronic Control Modules - Electrical Diagnostics)) >> Electronic Control Modules - Electrical Diagnostics >> DTC Troubleshooting >> *No Response From SCM (Steering Control Module) >> Notes

*No Response From SCM (Steering Control Module): Notes

WARNING: This page is about a different car, the 2007 Dodge Sprinter. However, it is still accessible from the selected car via links, so may be relevant.
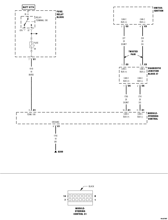
Fig 1: Steering Control Module Circuit Schematic
GC0065458Courtesy of CHRYSLER LLC

For complete wiring diagrams refer to SYSTEM WIRING DIAGRAMS article.

Possible Causes 
FUSED IGNITION SWITCH CIRCUIT OPEN OR SHORTED
GROUND CIRCUIT OPEN
CAN C BUS (+) CIRCUIT OPEN
CAN C BUS (-) CIRCUIT OPEN
STEERING CONTROL MODULE