LEMON Manuals: Even more car manuals for everyone
Home >> Chrysler >> 2007 >> Crossfire Base, 2D Convertible >> Repair and Diagnosis >> External Pages >> Different car >> Section 16 ((Electronic Control Modules - Electrical Diagnostics)) >> Electronic Control Modules - Electrical Diagnostics >> DTC Troubleshooting >> *No Response From Park Assist Module >> Notes

*No Response From Park Assist Module: Notes

WARNING: This page is about a different car, the 2007 Dodge Sprinter. However, it is still accessible from the selected car via links, so may be relevant.
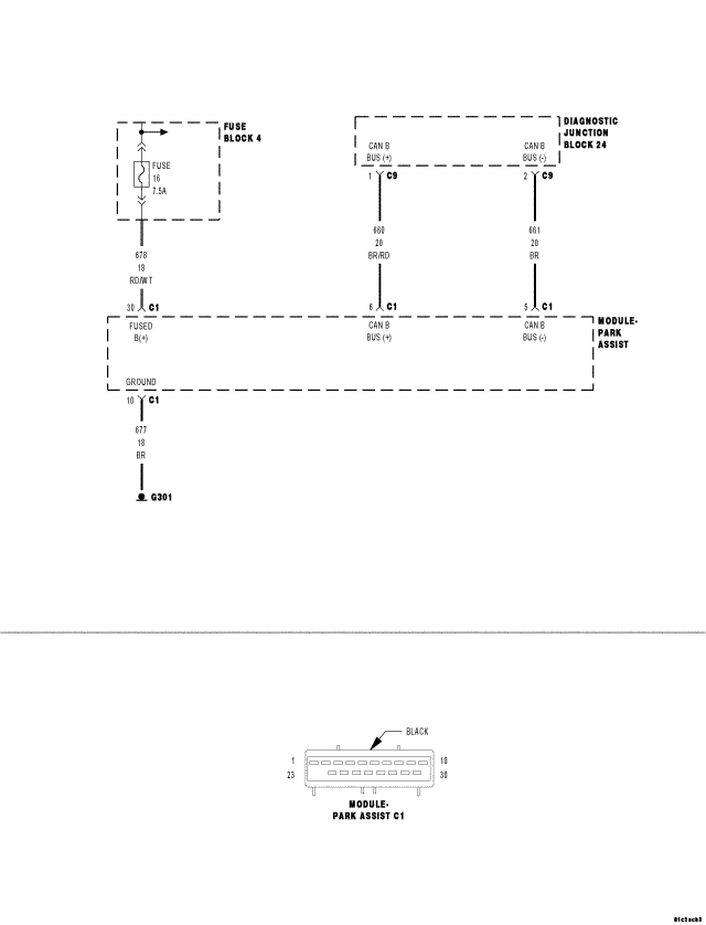
Fig 1: Park Assist Module Circuit Schematic
GC0065454Courtesy of CHRYSLER LLC

For complete wiring diagrams refer to SYSTEM WIRING DIAGRAMS article.

Possible Causes 
GROUND CIRCUIT OPEN
FUSED B(+) CIRCUIT OPEN OR SHORTED
CAN B BUS CIRCUITS OPEN
PARK ASSIST MODULE