LEMON Manuals: Even more car manuals for everyone
Home >> Chrysler >> 2007 >> Crossfire Base, 2D Convertible >> Repair and Diagnosis >> External Pages >> Different car >> Section 16 ((Electronic Control Modules - Electrical Diagnostics)) >> Electronic Control Modules - Electrical Diagnostics >> DTC Troubleshooting >> *No Response From Orc (Occupant Restraint Controller) >> Notes

*No Response From Orc (Occupant Restraint Controller): Notes

WARNING: This page is about a different car, the 2007 Dodge Sprinter. However, it is still accessible from the selected car via links, so may be relevant.
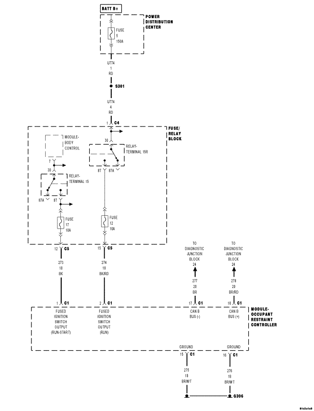
Fig 1: Occupant Restraint Controller Circuit Schematic
GC0065453Courtesy of CHRYSLER LLC

For complete wiring diagrams refer to SYSTEM WIRING DIAGRAMS article.

Possible Causes 
GROUND CIRCUIT OPEN
FUSED IGNITION SWITCH OUTPUT (RUN) CIRCUIT OPEN OR SHORTED
FUSED IGNITION SWITCH OUTPUT (RUN/START) CIRCUIT OPEN OR SHORTED
CAN B BUS CIRCUITS OPEN
OCCUPANT RESTRAINT CONTROLLER MODULE