LEMON Manuals: Even more car manuals for everyone
Home >> Chrysler >> 2007 >> Crossfire Base, 2D Convertible >> Repair and Diagnosis >> External Pages >> Different car >> Section 16 ((Electronic Control Modules - Electrical Diagnostics)) >> Electronic Control Modules - Electrical Diagnostics >> DTC Troubleshooting >> *No Response From ECM (Engine Control Module) - Diesel >> Notes

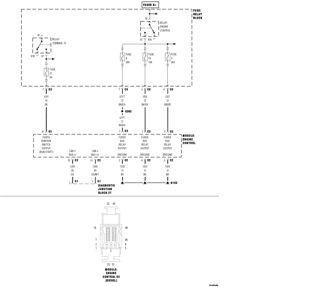
*No Response From ECM (Engine Control Module) - Diesel: Notes

WARNING: This page is about a different car, the 2007 Dodge Sprinter. However, it is still accessible from the selected car via links, so may be relevant.
Fig 1: Engine Control Module Circuit Schematic
GC0065450Courtesy of CHRYSLER LLC

For complete wiring diagrams refer to SYSTEM WIRING DIAGRAMS article.

Possible Causes 
ENGINE CONTROL MODULE POWER AND GROUND
CAN C BUS (+) CIRCUIT OPEN
CAN C BUS (-) CIRCUIT OPEN
ENGINE CONTROL MODULE