LEMON Manuals: Even more car manuals for everyone
Home >> Chrysler >> 2007 >> Crossfire Base, 2D Convertible >> Repair and Diagnosis >> External Pages >> Different car >> Section 16 ((Electronic Control Modules - Electrical Diagnostics)) >> Electronic Control Modules - Electrical Diagnostics >> DTC Troubleshooting >> *No Response From BCM (Body Control Module) >> Notes

*No Response From BCM (Body Control Module): Notes

WARNING: This page is about a different car, the 2007 Dodge Sprinter. However, it is still accessible from the selected car via links, so may be relevant.
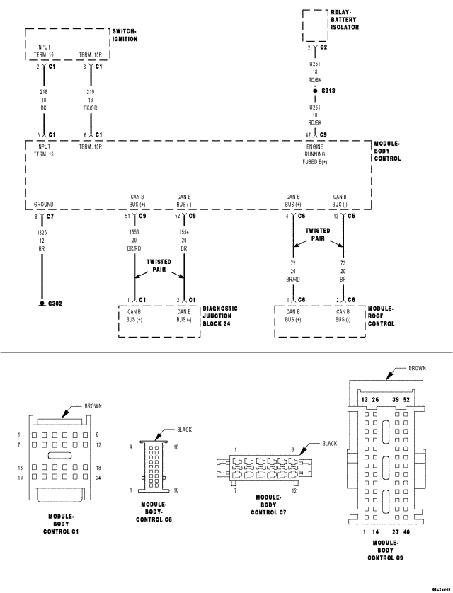
Fig 1: Body Control Module Circuit Schematic
GC0065436Courtesy of CHRYSLER LLC

For complete wiring diagrams refer to SYSTEM WIRING DIAGRAMS article.

Possible Causes 
FUSED B(+) CIRCUITS OPEN OR SHORTED
GROUND CIRCUIT OPEN
FUSED IGNITION SWITCH OUTPUT CIRCUIT OPEN OR SHORTED
CAN B BUS CIRCUITS OPEN
BODY CONTROL MODULE