LEMON Manuals: Even more car manuals for everyone
Home >> Chrysler >> 2007 >> Crossfire Base, 2D Convertible >> Repair and Diagnosis >> Engine Performance >> System >> Emissions Control System >> Description >> Monitored Systems >> Evaporative Vacuum Leak Detection System

Evaporative Vacuum Leak Detection System

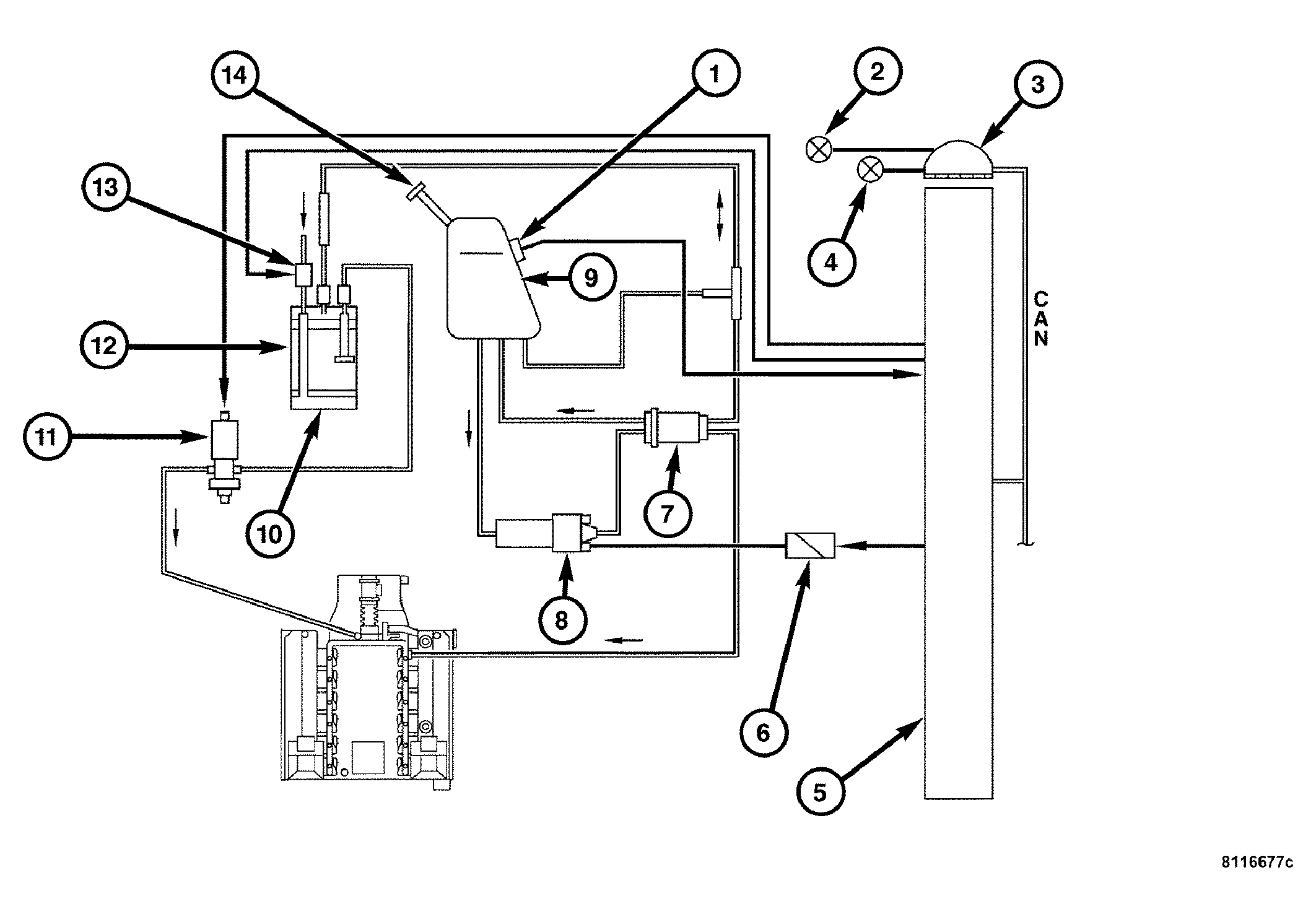
Fig 1: Locating Evaporative Vacuum Leak Detection System Components
GC0033600Courtesy of CHRYSLER LLC

The Evaporative Vacuum Leak Detection (EVLD) system has replaced the leak detection pump as the method of evaporative system leak detection. This is to detect a leak equivalent to a 0.5 mm (0.020 in.) hole. This system has the capability to detect holes of this size very dependably. In addition to the detection of very small leaks, this system has the capability of detecting medium as well as large evaporative system leaks.

The EVLD system incorporates the EVAP Purge Hoses, EVAP Canister, fuel tank, fuel filler neck and fuel filler cap with the Charcoal Canister Shutoff Valve, EVAP Purge Solenoid, PCM and engine vacuum to detect a leak in the purge system.

The PCM seals the Charcoal Canister Shutoff Valve and opens the EVAP Purge Solenoid to perform the 3-stage leak test after the following conditions have been met:

  1. Battery voltage > 11 volts
  2. Engine running for approximately 16 minutes
  3. Engine idling
  4. Vehicle at rest
  5. Emission controls in closed loop
  6. Intake air temperature less than 45°C (113°F)
  7. Engine coolant temperature at startup < 100°C (212°F)
  8. Engine load < 35%
  9. Transmission in Drive or Reverse
  10. Secondary air injection not active
  11. Atmospheric pressure > 780 hPa (11.31 psi) i.e, altitude > 8200 feet
  12. Low purge canister activity
  13. Fuel tank level between 1/4 and 3/4
  14. No excessive fuel slosh in the fuel tank
  15. No fault in the Charcoal Canister Shutoff Valve, EVAP Purge Solenoid, or Fuel Tank Pressure Sensor
  16. No leak in the ORVR Pressure Relief Valve

The leak test consists of three successive tests that are dependent on the previous test passing. If one test fails, the next test will not be run. The major leak test begins by closing the Charcoal Canister Shutoff Valve and opening the EVAP Purge Solenoid to allow engine vacuum to build to 6 mbar (2.4 in. H2O), as measured by the Fuel Tank Pressure Sensor, in the fuel tank within approximately 12 seconds. If there is no vacuum buildup in the fuel tank, there is a major leak present, the leak test is aborted, the Low Fuel Warning Indicator is illuminated in the instrument cluster and a DTC is stored in the PCM.

If the major leak test passes, the EVAP Purge Solenoid is closed when vacuum inside the fuel tank reaches approximately 6 mbar (2.4 in. H2O) and the vacuum is analyzed for approximately 30 seconds. The vacuum must not drop by more than 0.3 to 0.5 mbar (0.12 to 0.2 in. H2O), depending on the fuel level in the fuel tank, during the 30 second time period. If there is a minor leak, the leak test is aborted and a DTC is stored in the PCM. The leak test will be aborted if an excessive lean correction occurs during vacuum buildup.

If the minor leak test passes, the micro leak test initiates by again bringing the vacuum in the fuel tank up to approximately 6 mbar (2.4 in.H2O). Once the vacuum in the fuel tank is reestablished, the EVAP Purge Solenoid is closed. The vacuum must not drop by more than 0.1 to 0.15 mbar (0.04 to 0.06 in. H2O), depending on the fuel level in the fuel tank, per second. If the vacuum drops more rapidly, a DTC is stored in the PCM. The leak test will be aborted if an excessive lean correction occurs during vacuum buildup.

When the leak test is complete, the EVAP Purge Solenoid is opened and the purge control system returns to normal operation.