LEMON Manuals: Even more car manuals for everyone
Home >> Chrysler >> 2007 >> Crossfire Base, 2D Convertible >> Repair and Diagnosis >> Engine Performance >> System >> DTCS P0153 To P0200 >> P0173-Fuel System 2/1 Rich Control Over Limit (At Load) >> Notes

P0173-Fuel System 2/1 Rich Control Over Limit (At Load): Notes

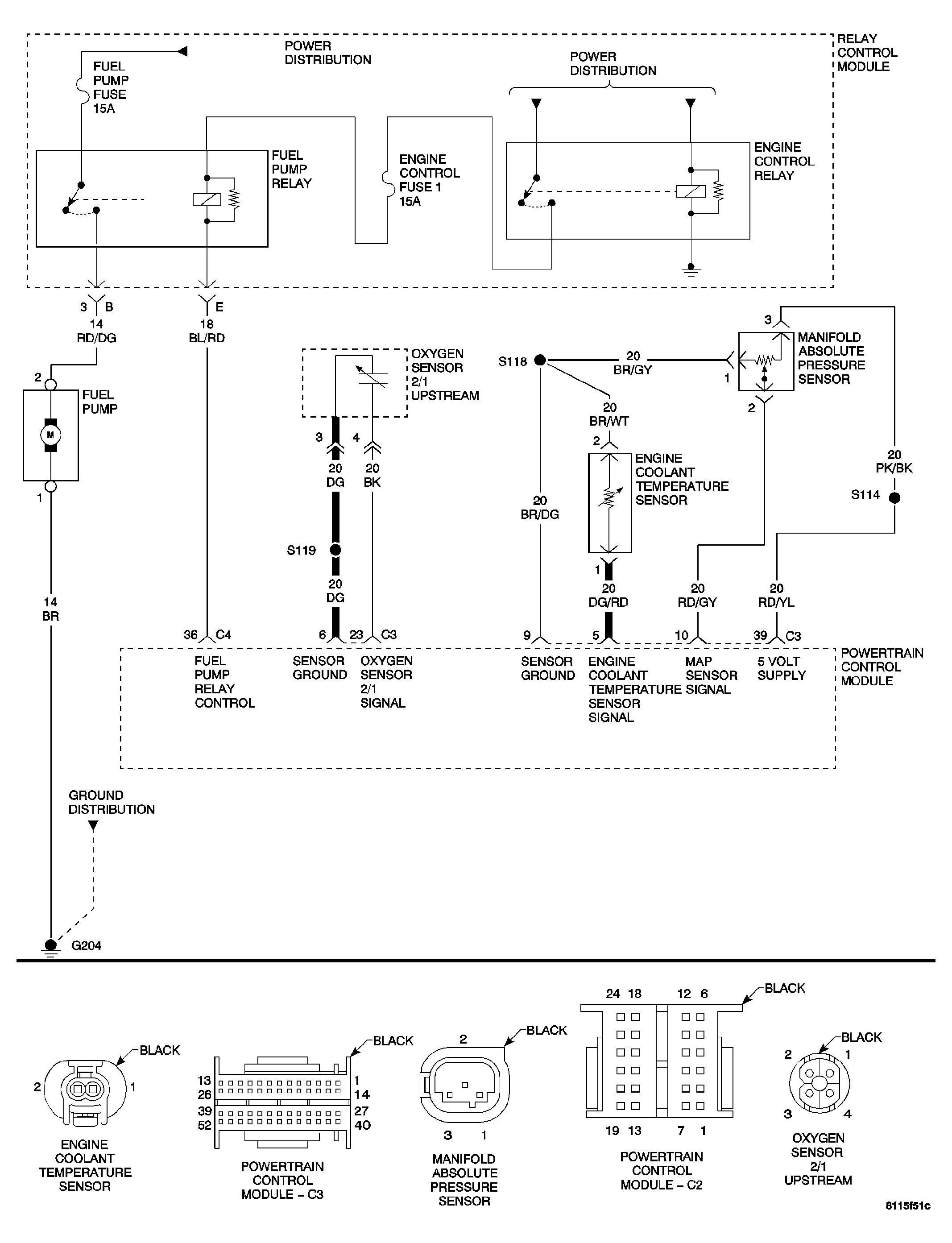
Fig 1: Fuel Pump & Sensors Circuit Schematic
GC0034158Courtesy of CHRYSLER LLC
  1. When Monitored  : With the engine running in closed loop mode, the ambient/battery temperature above -7°C (20°F), altitude below 2590m (8500 ft). and fuel level greater than 15%.
  2. Set Condition  : If the PCM multiplies short term compensation by long term adaptive and a certain percentage is exceeded for two trips, the MIL illuminates and a trouble code is stored.
Possible Causes 
RESTRICTED FUEL SUPPLY LINE
FUEL PUMP INLET STRAINER PLUGGED
O2 SENSOR SIGNAL CIRCUIT
O2 SENSOR GROUND CIRCUIT
O2 SENSOR HEATER OPERATION
MANIFOLD ABSOLUTE PRESSURE SENSOR OPERATION
ENGINE COOLANT TEMPERATURE SENSOR OPERATION
ENGINE MECHANICAL PROBLEM
FUEL PUMP
O2 SENSOR
FUEL CONTAMINATION/EXHAUST LEAK

For a complete Powertrain Control Module Circuit Diagram, refer to SCHEMATICS AND DIAGRAMS .