LEMON Manuals: Even more car manuals for everyone
Home >> Chrysler >> 2007 >> Crossfire Base, 2D Convertible >> Repair and Diagnosis >> Engine Performance >> System >> DTCS P0153 To P0200 >> P0171-Fuel System 1/1 Rich Control Over Limit (At Load) >> Notes

P0171-Fuel System 1/1 Rich Control Over Limit (At Load): Notes

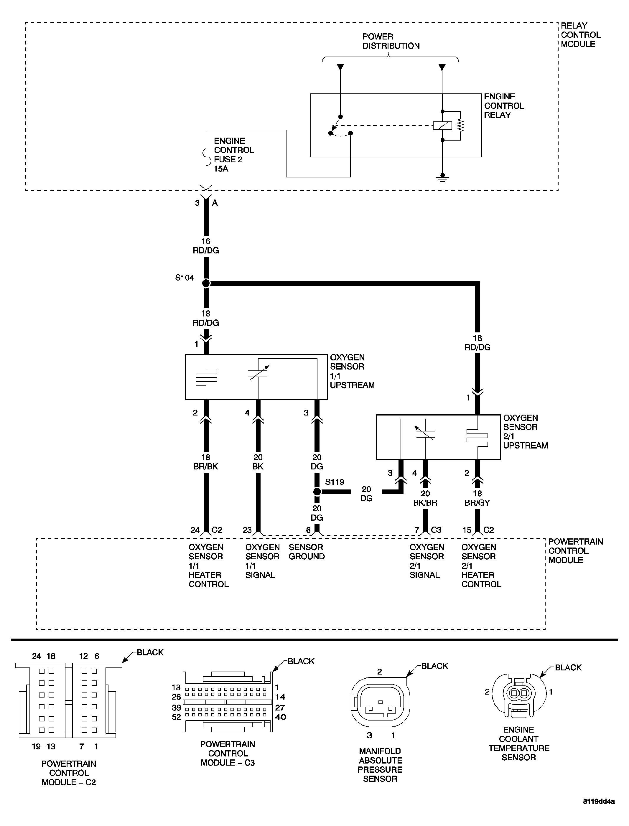
Fig 1: Upstream O2 Sensors Circuit Schematic
GC0034152Courtesy of CHRYSLER LLC
Fig 2: Engine Coolant Temperature & Manifold Absolute Pressure Sensor Circuit Schematic
GC0034153Courtesy of CHRYSLER LLC
  1. When Monitored  : With the engine running in closed loop mode, the ambient/battery temperature above -7°C (20°F), altitude below 2590m (8500 ft). and fuel level greater than 15%.
  2. Set Condition  : If the PCM multiplies short term compensation by long term adaptive and a certain percentage is exceeded for two trips, the MIL illuminates and a trouble code is stored.
Possible Causes 
EVAP PURGE SOLENOID OPERATION
O2 SIGNAL CIRCUIT
RESTRICTED FUEL SUPPLY LINE
FUEL PUMP INLET STRAINER PLUGGED
O2 SENSOR GROUND CIRCUIT
MANIFOLD ABSOLUTE PRESSURE SENSOR OPERATION
ENGINE COOLANT TEMPERATURE SENSOR OPERATION
O2 SENSOR
ENGINE MECHANICAL PROBLEM
FUEL FILTER/PRESSURE REGULATOR
POWERTRAIN CONTROL MODULE

For a complete Powertrain Control Module Circuit Diagram, refer to SCHEMATICS AND DIAGRAMS .