LEMON Manuals: Even more car manuals for everyone
Home >> Chrysler >> 2007 >> Crossfire Base, 2D Convertible >> Repair and Diagnosis >> Engine Performance >> System >> DTCS P0153 To P0200 >> P0161-O2 Sensor 2/2 Heater Circuit High >> Notes

P0161-O2 Sensor 2/2 Heater Circuit High: Notes

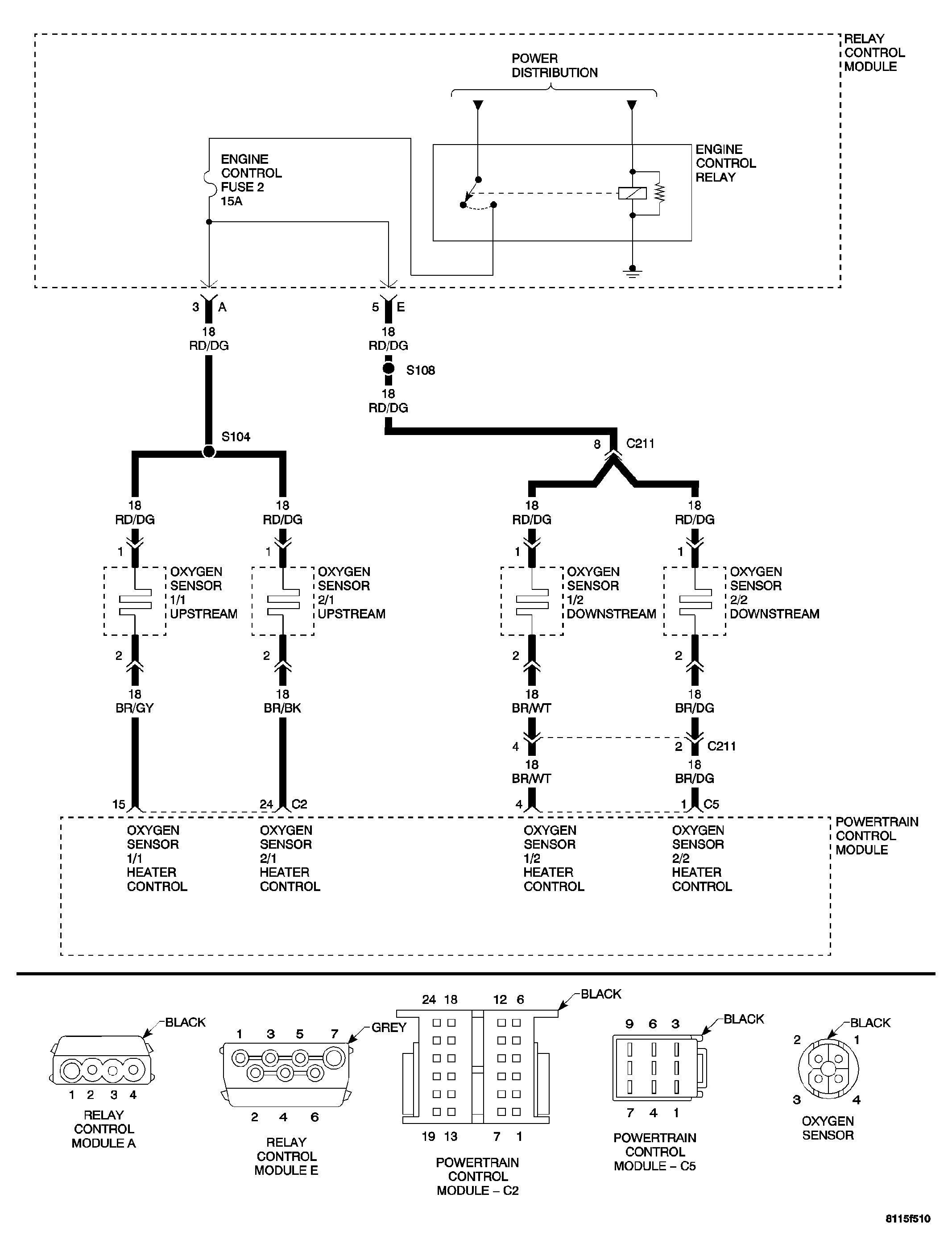
Fig 1: O2 Sensor Heaters Circuit Schematic
GC0034138Courtesy of CHRYSLER LLC
  1. When Monitored  : Engine Running and Heater duty cycle greater than 0%.
  2. Set Condition  : O2 Heater Temperature does not reach 575°C (959°F) within 90 seconds during monitoring conditions. Two Trip Fault.
Possible Causes 
O2 HEATER ELEMENT
FUSED ENGINE CONTROL RELAY OUTPUT CIRCUIT OPEN
O2 HEATER CONTROL CIRCUIT OPEN
POWERTRAIN CONTROL MODULE

For a complete Powertrain Control Module Circuit Diagram, refer to SCHEMATICS AND DIAGRAMS .