LEMON Manuals: Even more car manuals for everyone
Home >> Chrysler >> 2007 >> 300 Base >> Repair and Diagnosis >> Engine Performance >> System >> Checking For Intermittent DTC, Component & System Checks, Symptom Tests >> *Checking The Ignition Coil Operation - 2.7L/3.5L >> Notes

*Checking The Ignition Coil Operation - 2.7L/3.5L: Notes

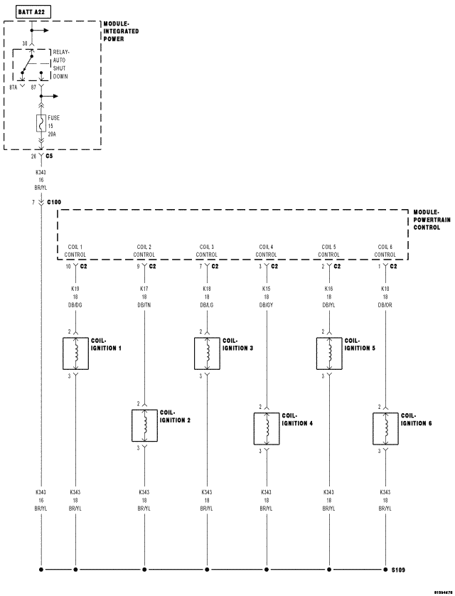
Fig 1: Ignition Coil Circuit Schematic
GC0052742Courtesy of CHRYSLER LLC

For complete wiring diagrams refer to:

SYSTEM WIRING DIAGRAMS for 300.

SYSTEM WIRING DIAGRAMS for Charger.

SYSTEM WIRING DIAGRAMS for Magnum.