LEMON Manuals: Even more car manuals for everyone
Home >> Chrysler >> 2007 >> 300 Base >> Repair and Diagnosis (Single Page) >> Steering >> Steering Column >> Steering System >> Column Electrical Diagnosis >> Diagnosis And Testing >> B1D8D-Steering Column Telescope Position Sensor Circuit Low >> Notes

B1D8D-Steering Column Telescope Position Sensor Circuit Low: Notes

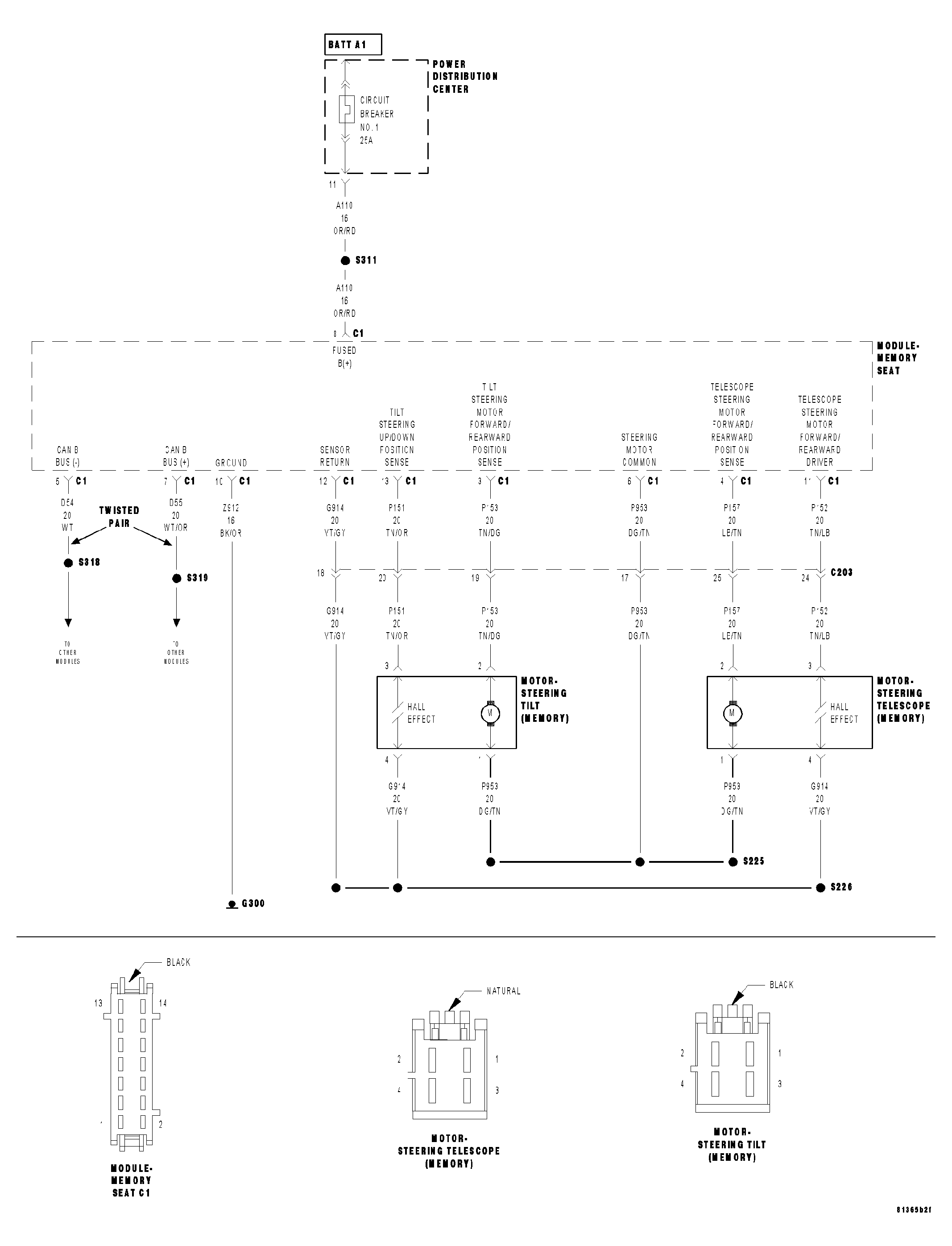
Fig 1: Steering Motor Circuit
GC0013173Courtesy of CHRYSLER LLC