LEMON Manuals: Even more car manuals for everyone
Home >> Chrysler >> 2007 >> 300 Base >> Repair and Diagnosis (Single Page) >> Engine Performance >> System >> Checking For Intermittent DTC, Component & System Checks, Symptom Tests >> *Checking The Charging System Operation >> Notes

*Checking The Charging System Operation: Notes

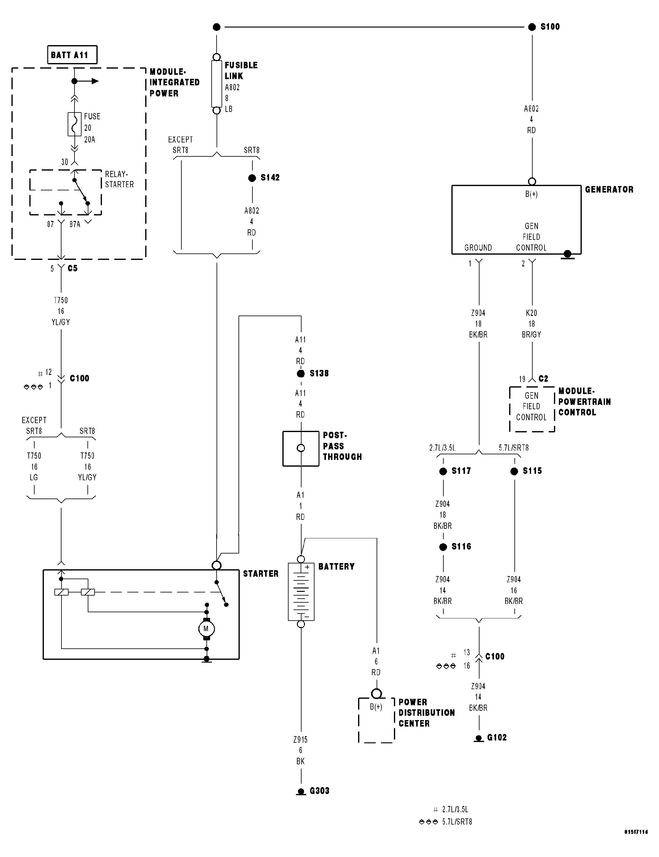
Fig 1: Starting/Charging Circuit Schematic
GC0039865Courtesy of CHRYSLER LLC

For complete wiring diagrams refer to:

SYSTEM WIRING DIAGRAMS for 300.

SYSTEM WIRING DIAGRAMS for Charger.

SYSTEM WIRING DIAGRAMS for Magnum.