LEMON Manuals: Even more car manuals for everyone
Home >> Chrysler >> 2007 >> 300 Base >> Repair and Diagnosis (Single Page) >> Accessories & Equipment >> Communication Devices >> Electronic Control Modules - Electrical Diagnostics >> Electronic Control Modules - Electrical Diagnostics >> DTC Troubleshooting >> *No Response From Headlamp Leveling Module (HIDT) >> Circuit Schematic

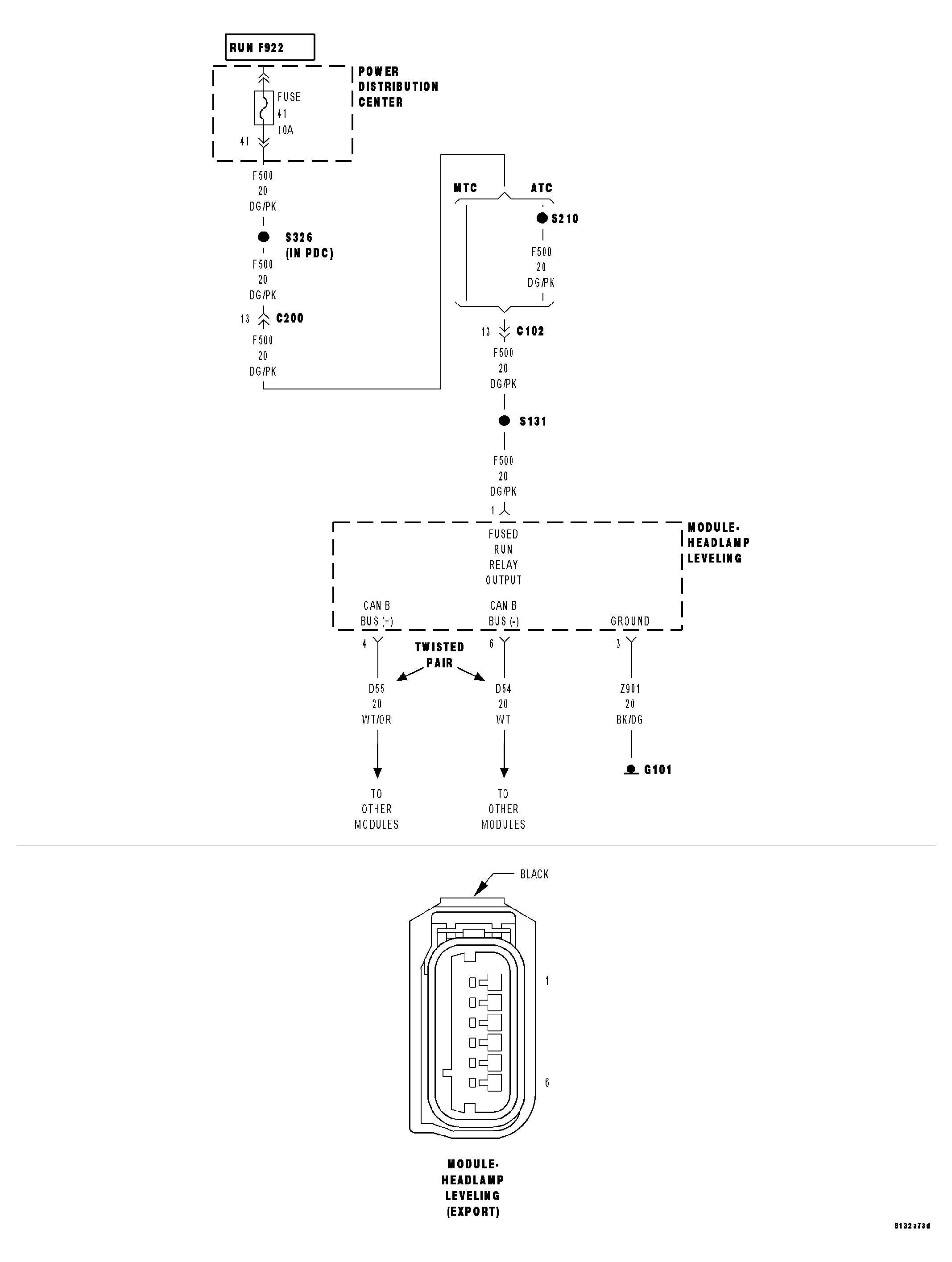
Circuit Schematic

Fig 1: Headlamp Leveling Module Power, Ground & Communication Circuit Schematic
GC0015780Courtesy of CHRYSLER LLC