LEMON Manuals: Even more car manuals for everyone
Home >> Chrysler >> 2006 >> Sebring GTC >> Repair and Diagnosis (Single Page) >> General Information >> OEM General Information >> Vehicle Data >> Body Code Plate >> Description >> Notes

Body Code Plate: Description: Notes

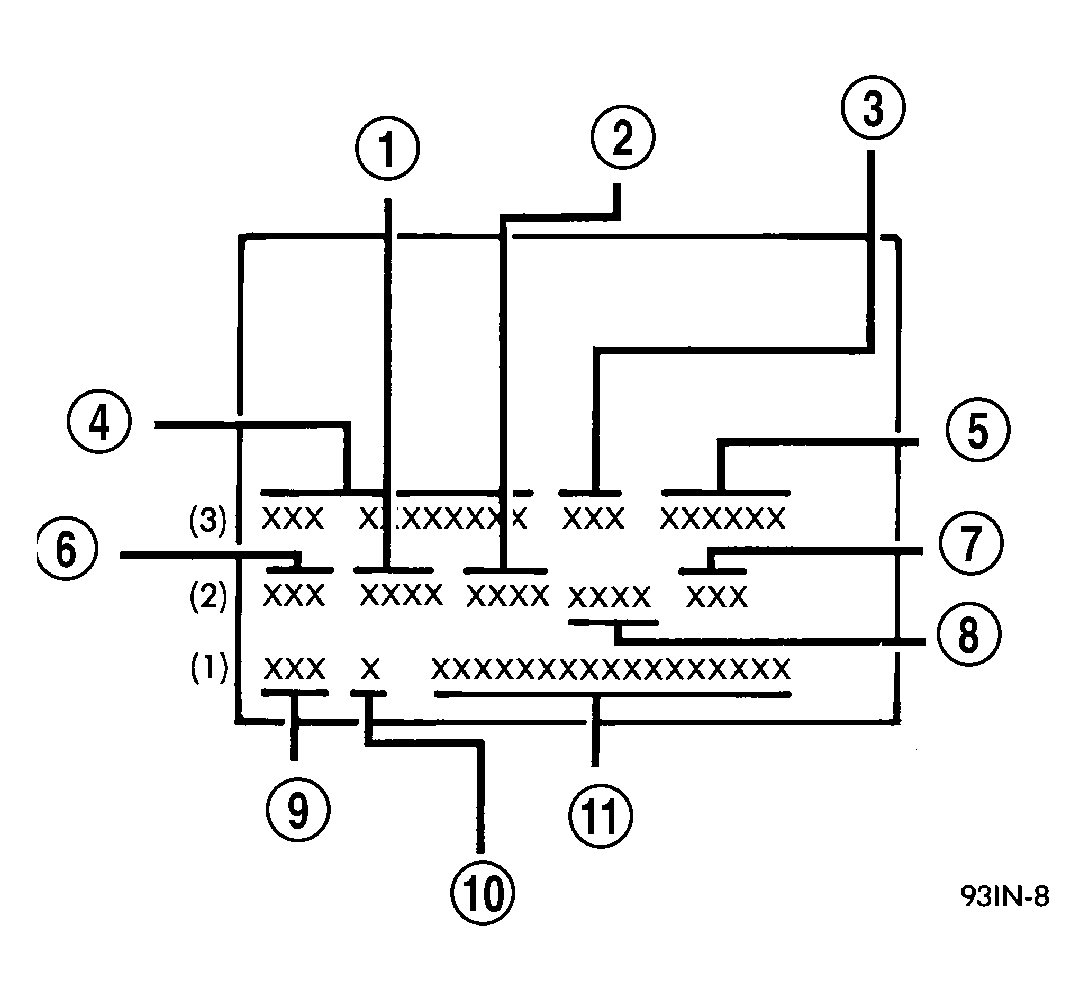
The Body Code Plate is located in the engine compartment on the driver side strut tower. There are seven lines of information on the body code plate. Lines 4, 5, 6 and 7 are not used to define service information. Information reads from left to right, starting with line 3 in the center of the plate to line 1 at the bottom of the plate. See Fig 1.

Fig 1: Body Code Plate
GC0023030Courtesy of DAIMLERCHRYSLER CORP.
1 - PRIMARY PAINT
2 - SECONDARY PAINT
3 - VINYL ROOF
4 - VEHICLE ORDER NUMBER
5 - CAR LINE SHELL
6 - PAINT PROCEDURE
7 - ENGINE
8 - TRIM
9 - TRANSMISSION
10 - MARKET
11 - VIN