LEMON Manuals: Even more car manuals for everyone
Home >> Chrysler >> 2005 >> Crossfire Base, 2D Convertible >> Repair and Diagnosis >> Engine Performance >> System >> Diagnostic Code Index & DTCS P0040 To P0128 >> Diagnosis And Testing >> (P0040) 1/1 And 2/1 O2 Sensor Harness Connectors Reversed >> Notes

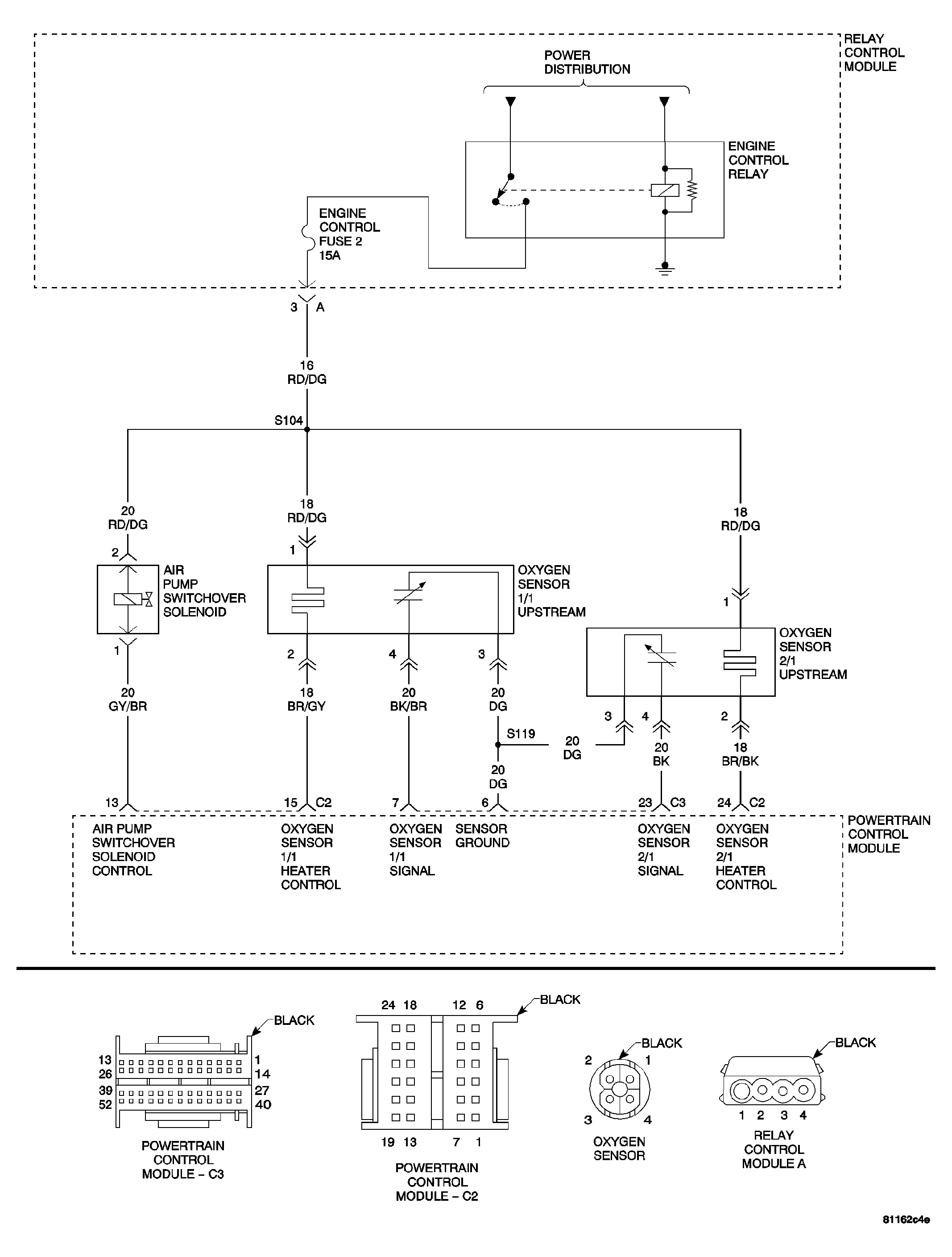
(P0040) 1/1 And 2/1 O2 Sensor Harness Connectors Reversed: Notes

Fig 1: Upstream O2 Sensors & Air Pump Switchover Solenoid Circuit Schematic
GC0034033Courtesy of DAIMLERCHRYSLER CORP.