LEMON Manuals: Even more car manuals for everyone
Home >> Chrysler >> 2005 >> 300 Base >> Repair and Diagnosis (Single Page) >> Restraints >> Restraints Control Systems >> DTCS B210E To U0141 >> Diagnosis And Testing >> B212C-Ignition Run/Start Input Circuit Open >> Circuit Schematic

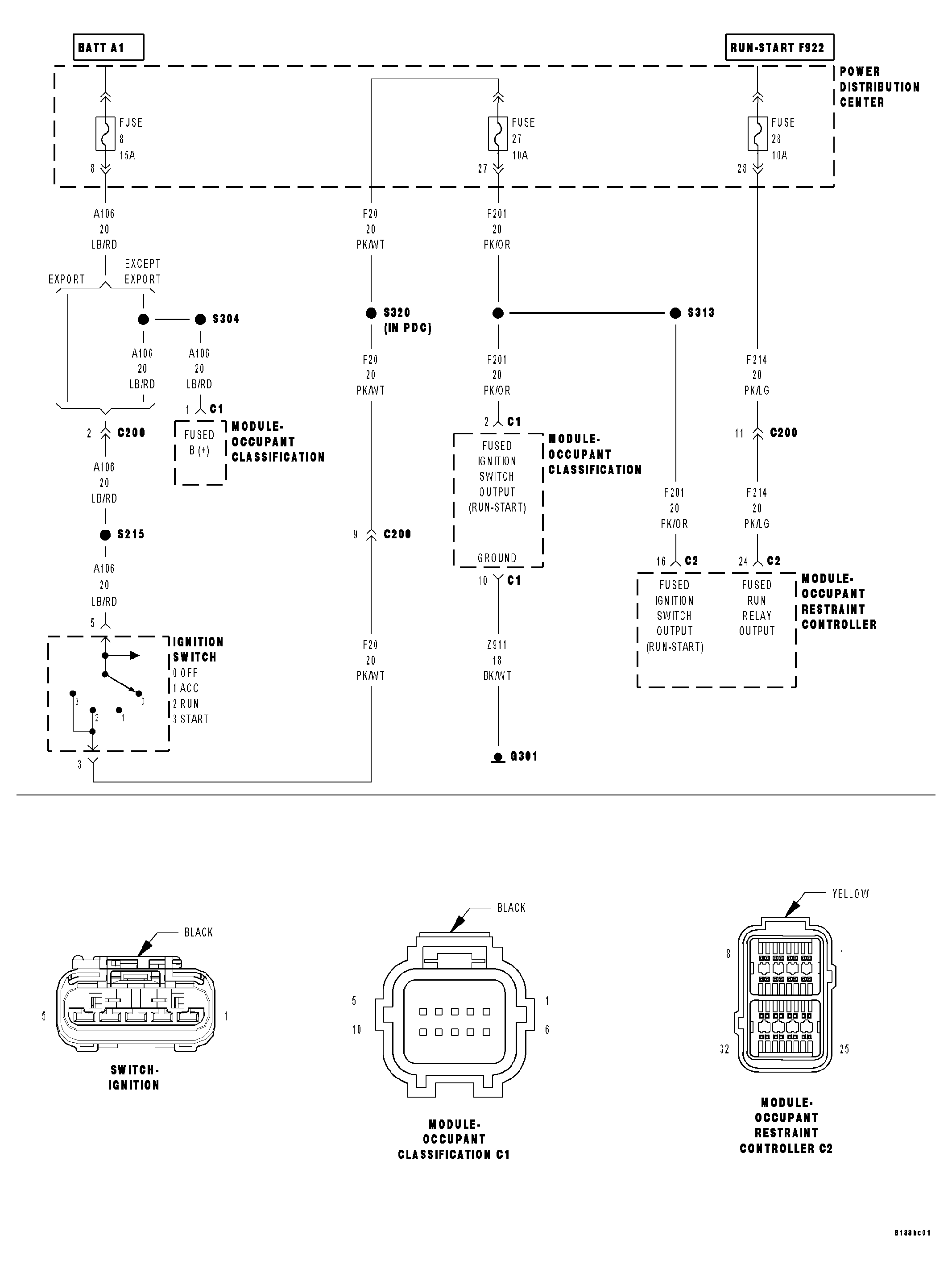
Circuit Schematic

Fig 1: Occupant Classification Module & Occupant Restraint Controller Ignition Run/Start Input Circuit Schematic
GC0016587Courtesy of DAIMLERCHRYSLER CORP.

For the Airbag System circuit diagram (Refer to ELECTRICAL/RESTRAINTS - SCHEMATICS AND DIAGRAMS) .