LEMON Manuals: Even more car manuals for everyone
Home >> Chrysler >> 2005 >> 300 Base >> Repair and Diagnosis (Single Page) >> Accessories & Equipment >> Wiper/Washer Systems >> Wiper System & Washer System - Electrical Diagnostics >> DTC Troubleshooting >> B2301 - Wiper Mode Switch Input Circuit Low >> Circuit Schematic

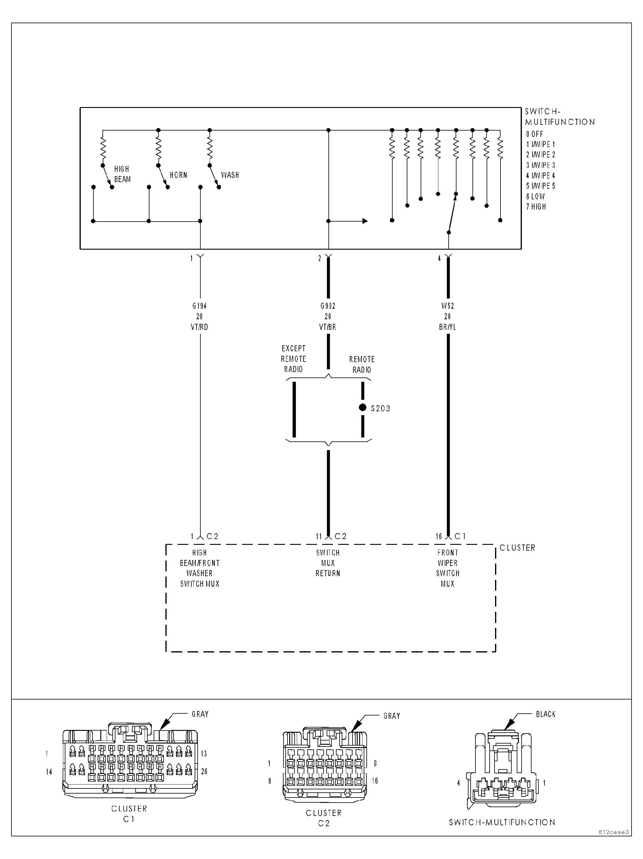
Circuit Schematic

Fig 1: Wiper Switch Mini Schematic
GC0016686Courtesy of DAIMLERCHRYSLER CORP.

For the Wiper/Washer system circuit diagram (Refer to ELECTRICAL/WIPERS/WASHERS - SCHEMATICS AND DIAGRAMS) .