LEMON Manuals: Even more car manuals for everyone
Home >> Chrysler >> 2004 >> Crossfire Standard >> Repair and Diagnosis >> Engine Performance >> System >> Engine Controls - Electrical Diagnostics >> Schematics And Diagrams

Schematics And Diagrams

Fig 1: Identifying Powertrain Control Module Circuit Diagram (1 Of 7)
G01861845Courtesy of DAIMLERCHRYSLER CORP.
Fig 2: Identifying Powertrain Control Module Circuit Diagram (2 Of 7)
G01861846Courtesy of DAIMLERCHRYSLER CORP.
Fig 3: Identifying Powertrain Control Module Circuit Diagram (3 Of 7)
G01861847Courtesy of DAIMLERCHRYSLER CORP.
Fig 4: Identifying Powertrain Control Module Circuit Diagram (4 Of 7)
G01861848Courtesy of DAIMLERCHRYSLER CORP.
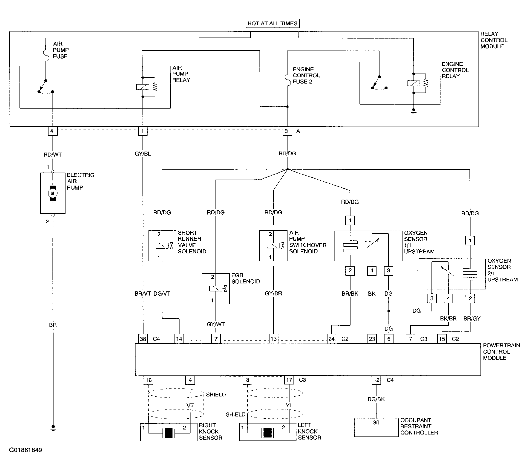
Fig 5: Identifying Powertrain Control Module Circuit Diagram (5 Of 7)
G01861849Courtesy of DAIMLERCHRYSLER CORP.
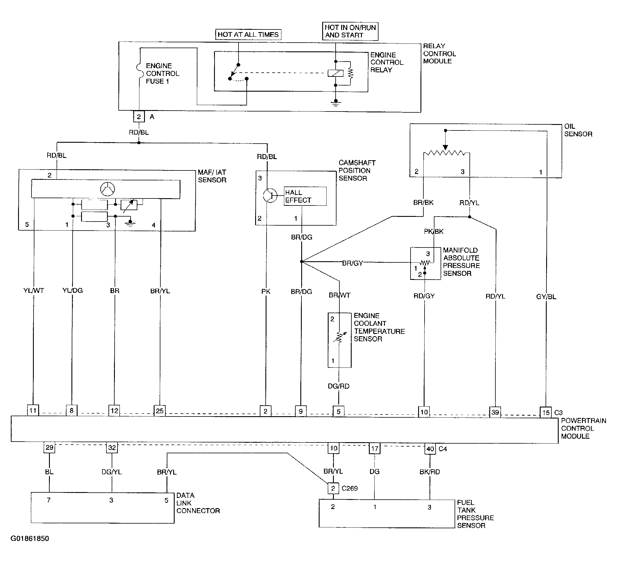
Fig 6: Identifying Powertrain Control Module Circuit Diagram (6 Of 7)
G01861850Courtesy of DAIMLERCHRYSLER CORP.
Fig 7: Identifying Powertrain Control Module Circuit Diagram (7 Of 7)
G01861851Courtesy of DAIMLERCHRYSLER CORP.