LEMON Manuals: Even more car manuals for everyone
Home >> Chrysler >> 2004 >> Crossfire Standard >> Repair and Diagnosis >> Engine Performance >> System >> Engine Controls - Electrical Diagnostics >> Diagnosis And Testing >> DTC P0173: Fuel System 2/1 Rich Control Over Limit (At Load) >> Circuit Diagram & Connector Identification

Circuit Diagram & Connector Identification

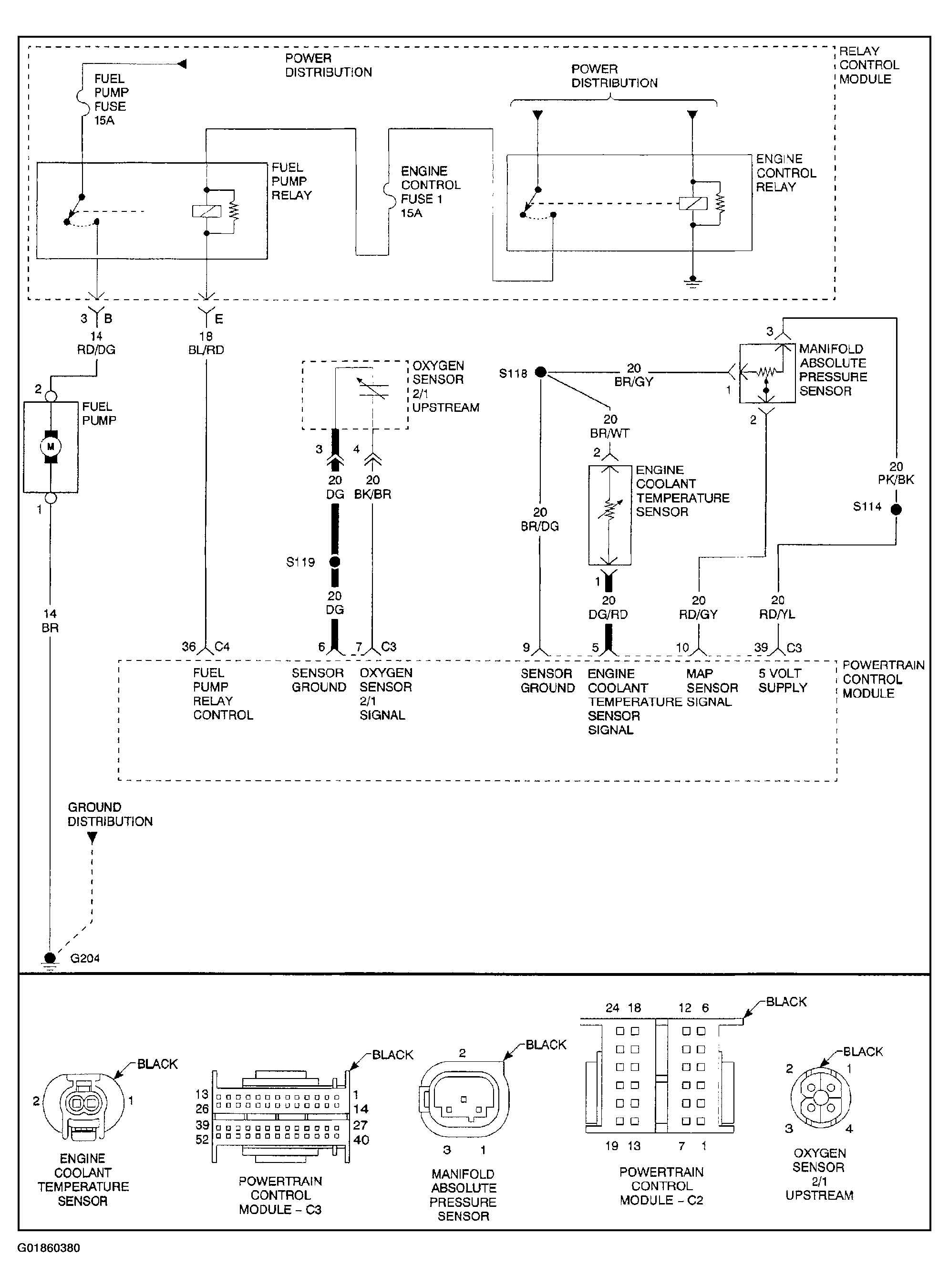
Fig 1: Identifying DTC P0173 Circuit Diagram & Connector Identification
G01860380Courtesy of DAIMLERCHRYSLER CORP.