LEMON Manuals: Even more car manuals for everyone
Home >> Chrysler >> 2004 >> Crossfire Standard >> Repair and Diagnosis >> Engine Performance >> System >> Engine Controls - Electrical Diagnostics >> Diagnosis And Testing >> DTC P0172: Fuel System 1/1 Lean Control Below Limit (At Load) >> Circuit Diagram & Connector Identification

Circuit Diagram & Connector Identification

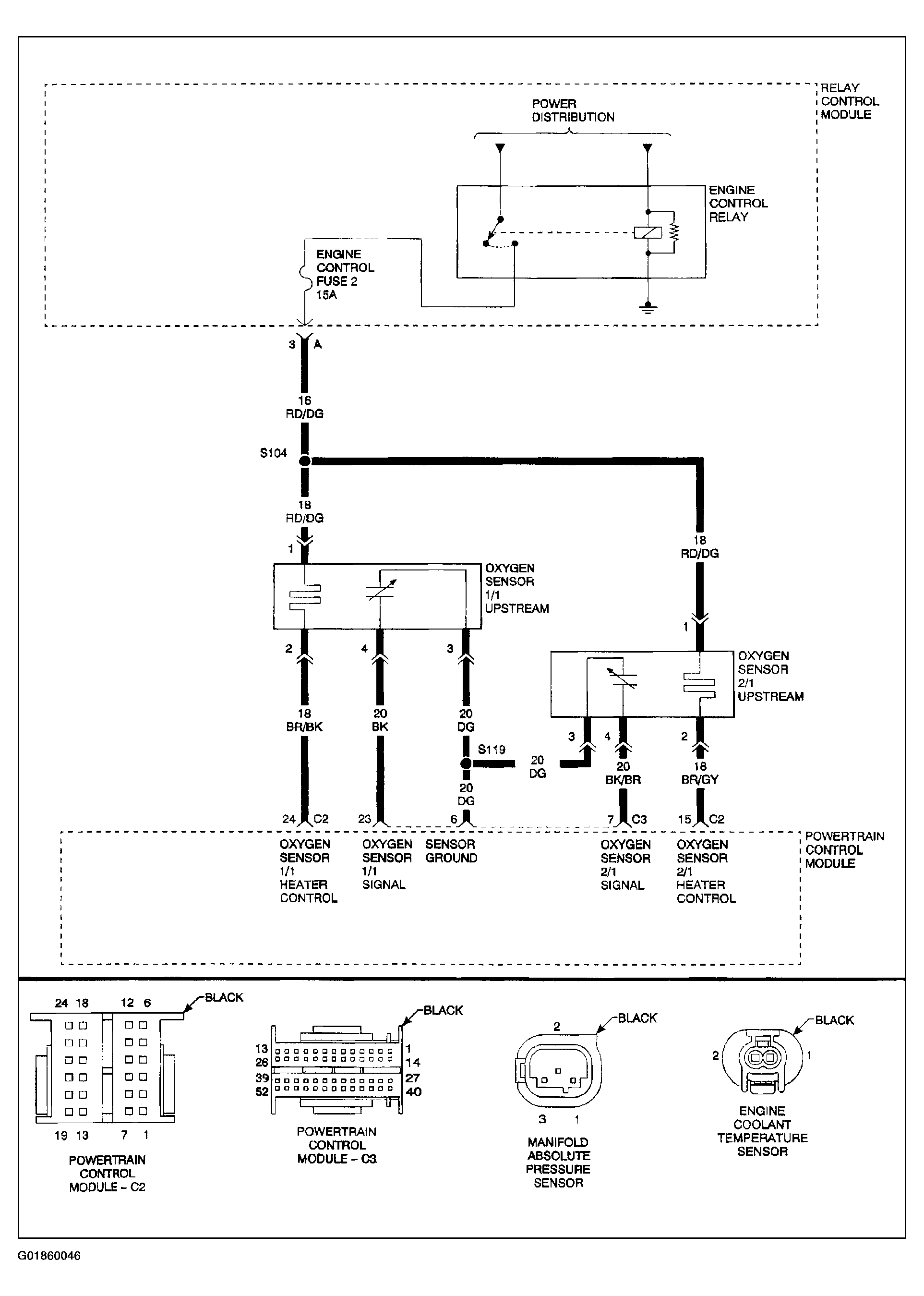
Fig 1: Identifying DTC P0172 Circuit Diagram & Connector Identification (1 Of 2)
G01860046Courtesy of DAIMLERCHRYSLER CORP.
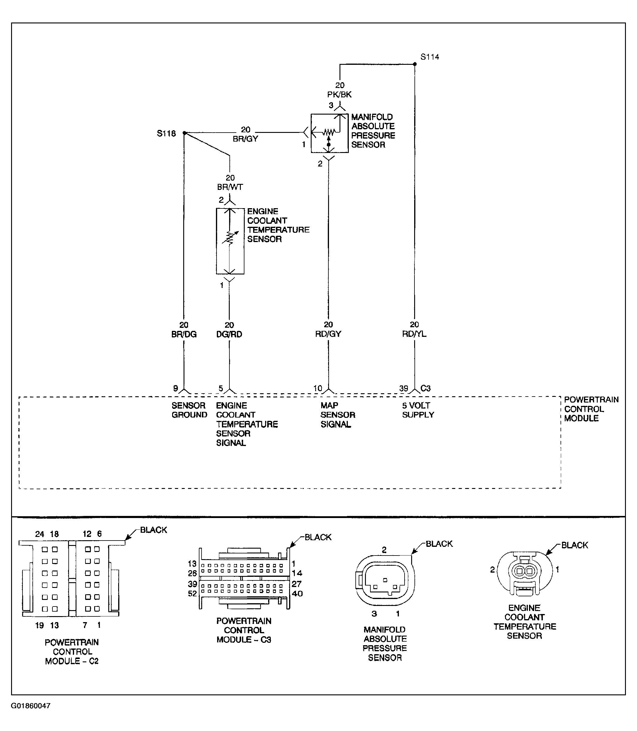
Fig 2: Identifying DTC P0172 Circuit Diagram & Connector Identification (2 Of 2)
G01860047Courtesy of DAIMLERCHRYSLER CORP.