LEMON Manuals: Even more car manuals for everyone
Home >> Chrysler >> 2004 >> Crossfire Standard >> Repair and Diagnosis >> Engine Performance >> System >> Engine Controls - Electrical Diagnostics >> Diagnosis And Testing >> DTC P0161: O2 Sensor 2/2 Heater Circuit High >> Circuit Diagram & Connector Identification

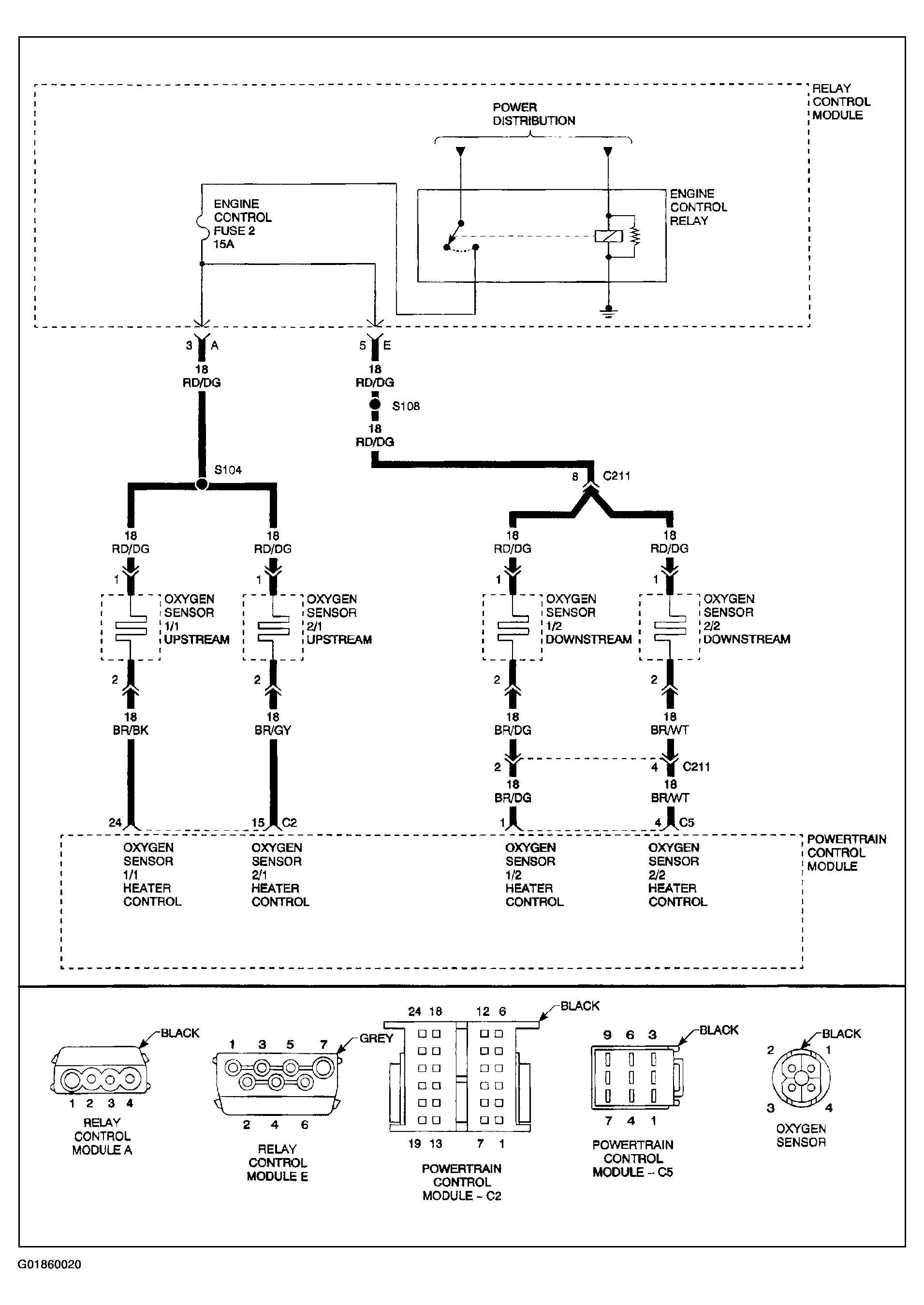
Circuit Diagram & Connector Identification

Fig 1: Identifying DTC P0161 Circuit Diagram & Connector Identification
G01860020Courtesy of DAIMLERCHRYSLER CORP.