LEMON Manuals: Even more car manuals for everyone
Home >> Chrysler >> 2004 >> Crossfire Standard >> Repair and Diagnosis >> Engine Performance >> System >> Engine Controls - Electrical Diagnostics >> Diagnosis And Testing >> DTC P0155: O2 Sensor 2/1 Heater Performance >> Circuit Diagram & Connector Identification

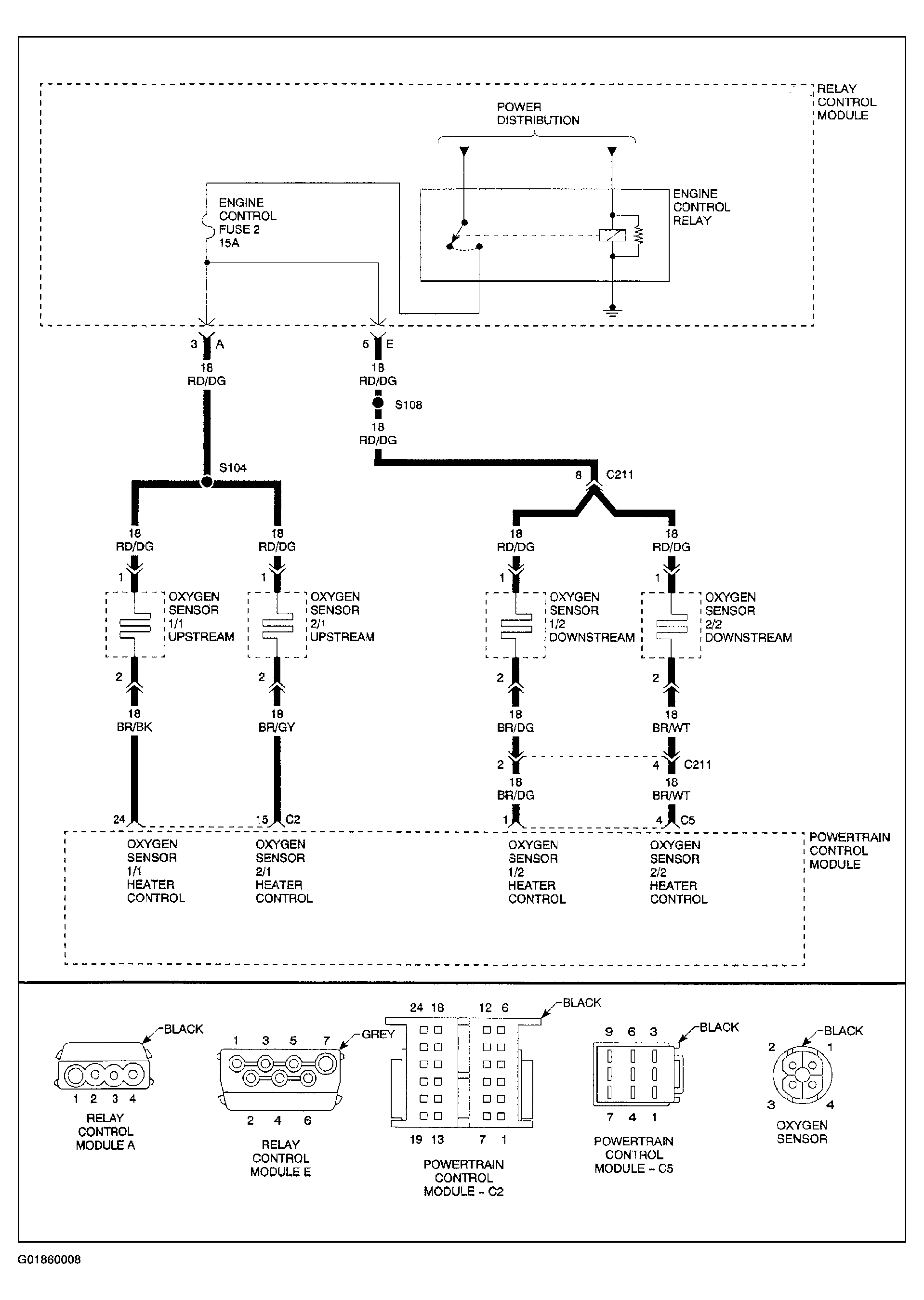
Circuit Diagram & Connector Identification

Fig 1: Identifying DTC P0155 Circuit Diagram & Connector Identification
G01860008Courtesy of DAIMLERCHRYSLER CORP.