LEMON Manuals: Even more car manuals for everyone
Home >> Chrysler >> 2004 >> Crossfire Standard >> Repair and Diagnosis >> Engine Performance >> System >> Engine Controls - Electrical Diagnostics >> Diagnosis And Testing >> DTC P0141: O2 Sensor 1/2 Heater Circuit High >> Circuit Diagram & Connector Diagram

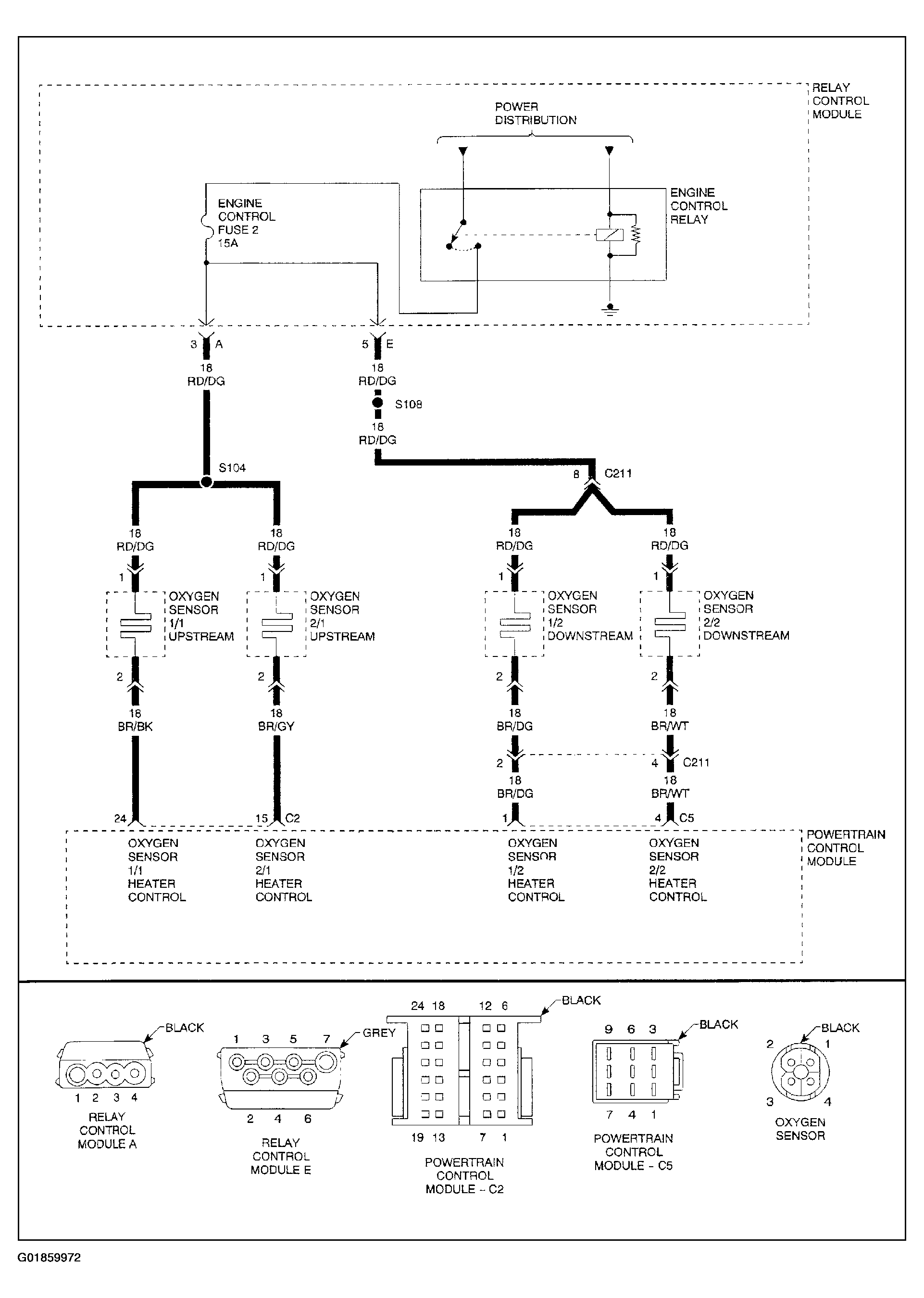
Circuit Diagram & Connector Diagram

Fig 1: Identifying DTC P0141 Circuit Diagram & Connector Diagram
G01859972Courtesy of DAIMLERCHRYSLER CORP.