LEMON Manuals: Even more car manuals for everyone
Home >> Chrysler >> 2004 >> Crossfire Standard >> Repair and Diagnosis >> Engine Performance >> System >> Engine Controls - Electrical Diagnostics >> Diagnosis And Testing >> DTC P0137: O2 Sensor 2/2 Below Threshold >> Circuit Diagram & Connector Identification

Circuit Diagram & Connector Identification

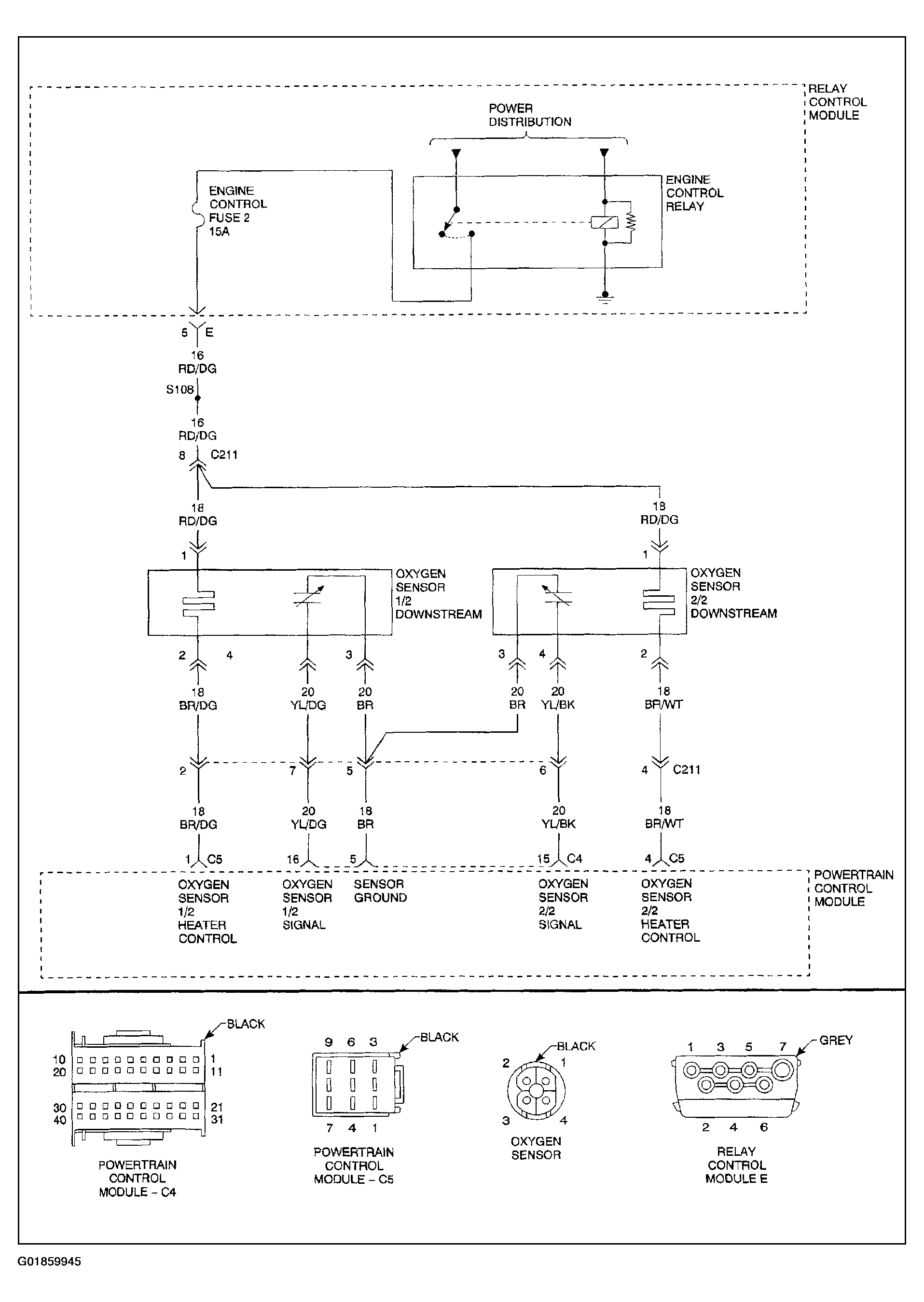
Fig 1: Identifying DTC P0137 Circuit Diagram & Connector Identification
G01859945Courtesy of DAIMLERCHRYSLER CORP.