LEMON Manuals: Even more car manuals for everyone
Home >> Chrysler >> 2004 >> Crossfire Standard >> Repair and Diagnosis >> Engine Performance >> System >> Engine Controls - Electrical Diagnostics >> Diagnosis And Testing >> DTC P0135: O2 Sensor 1/1 Heater Circuit Open >> Circuit Diagram & Connector Identification

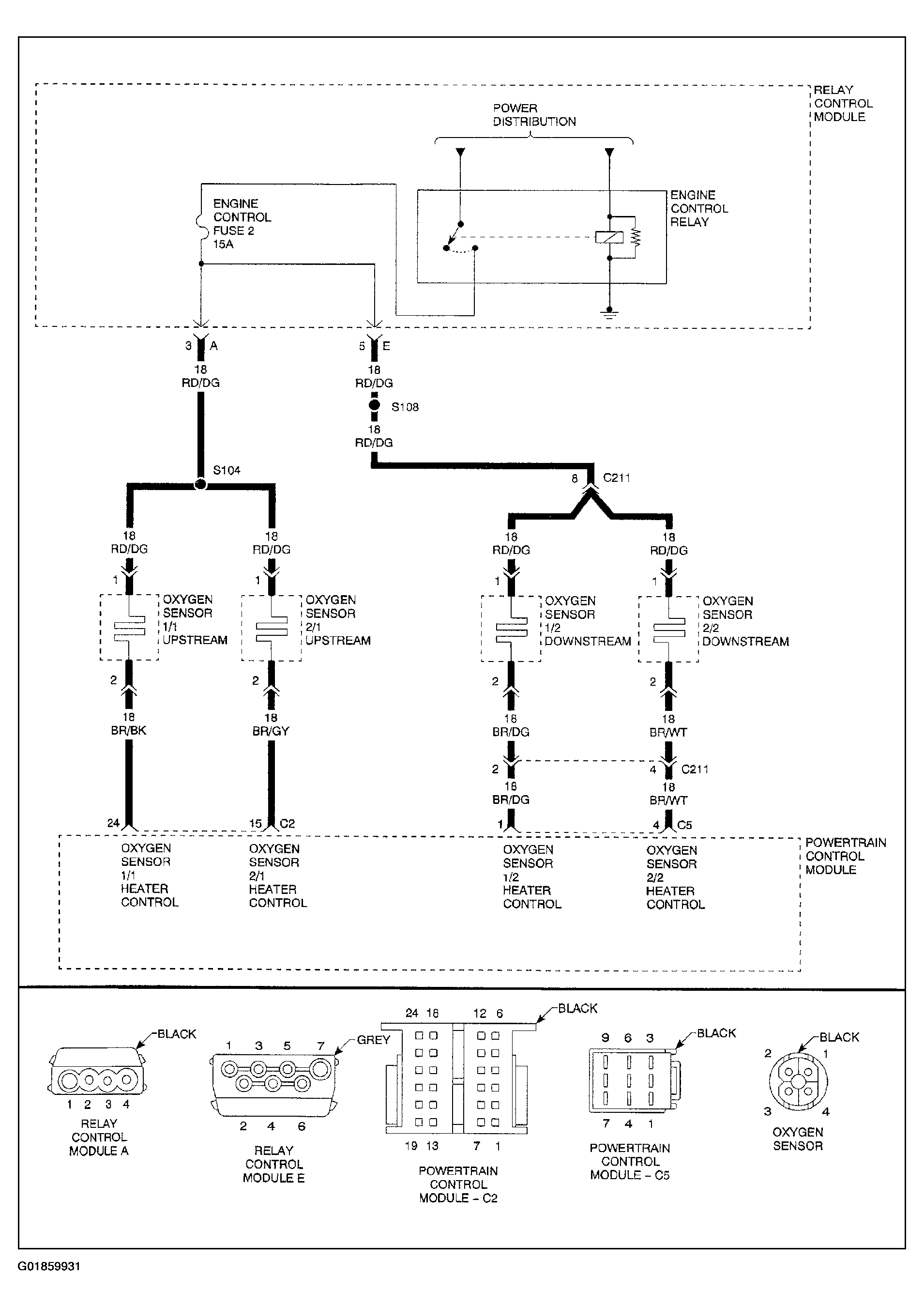
Circuit Diagram & Connector Identification

Fig 1: Identifying DTC P0135 Circuit Diagram & Connector Identification
G01859931Courtesy of DAIMLERCHRYSLER CORP.