LEMON Manuals: Even more car manuals for everyone
Home >> Chrysler >> 2004 >> Crossfire Standard >> Repair and Diagnosis >> Engine Performance >> System >> Engine Controls - Electrical Diagnostics >> Diagnosis And Testing >> DTC P0040: 1/1 And 2/1 O2 Sensor Harness Connectors Reversed >> Circuit Diagram & Connector Identification

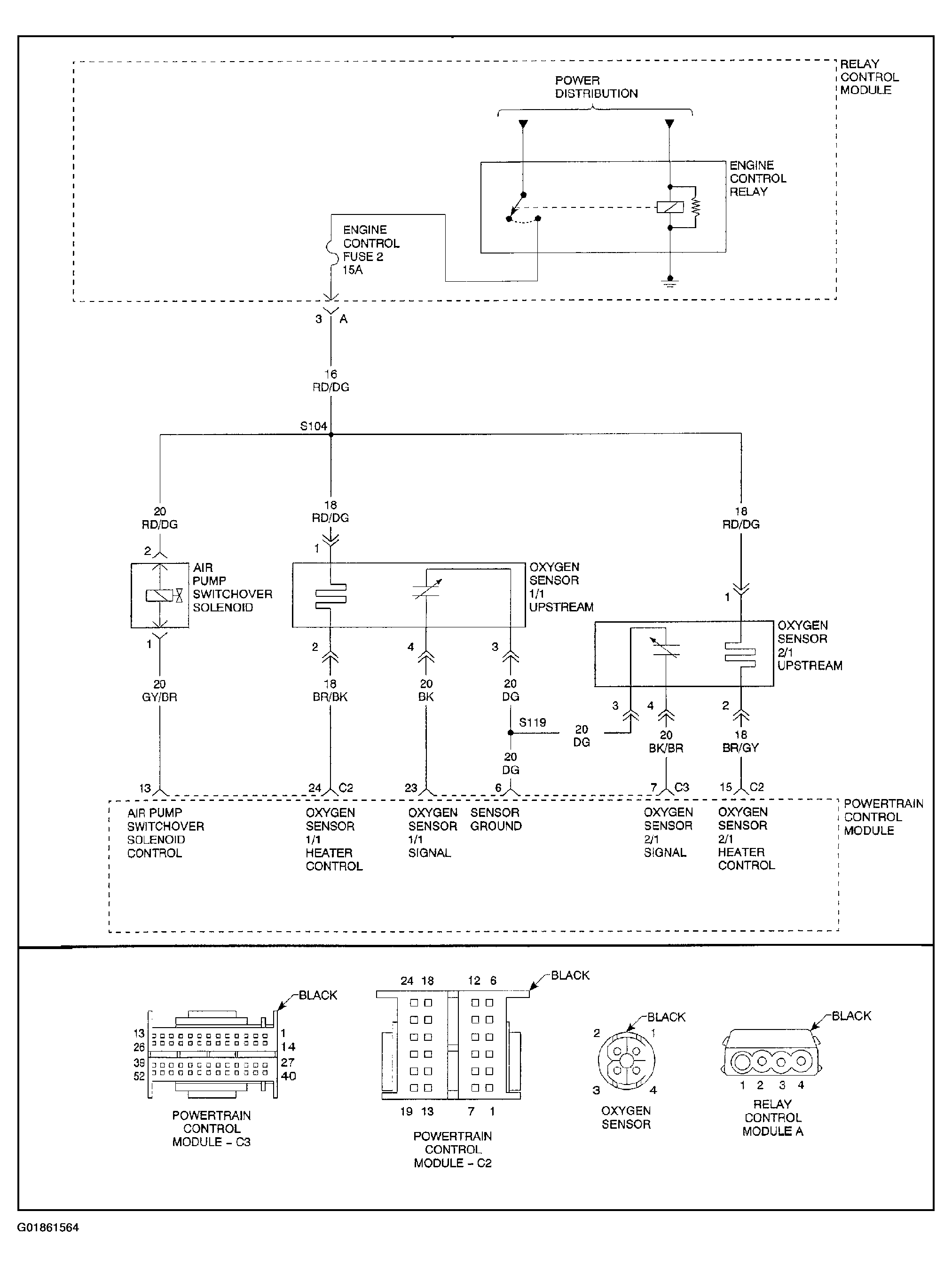
Circuit Diagram & Connector Identification

Fig 1: Identifying DTC P0040 Circuit Diagram & Connector Identification
G01861564Courtesy of DAIMLERCHRYSLER CORP.