LEMON Manuals: Even more car manuals for everyone
Home >> Chrysler >> 2004 >> Crossfire Standard >> Repair and Diagnosis >> Engine Performance >> System >> Engine Controls - Electrical Diagnostics >> Circuit Tests >> *Checking Hard Start (Fuel System) >> Circuit Diagram & Connector Identification

Circuit Diagram & Connector Identification

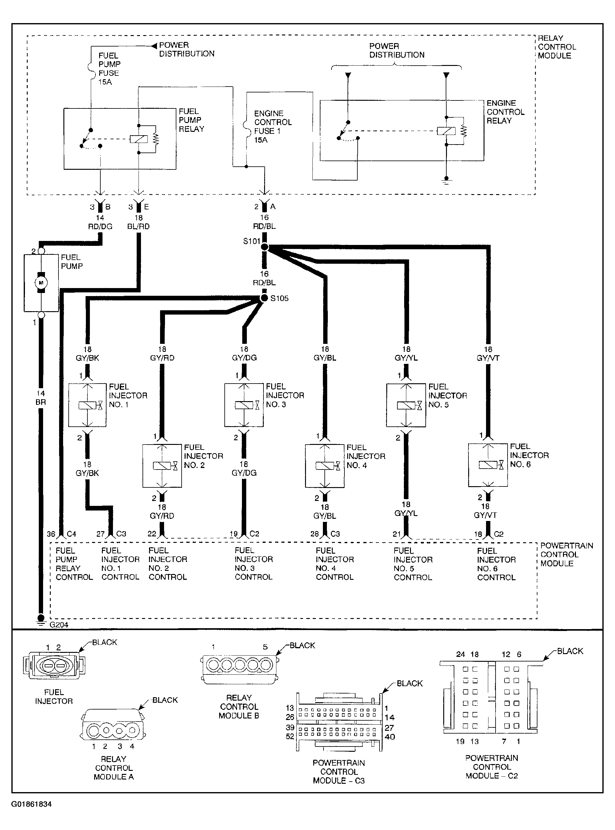
Fig 1: Identifying Hard Start (Fuel System) Circuit Diagram & Connector Identification
G01861834Courtesy of DAIMLERCHRYSLER CORP.