LEMON Manuals: Even more car manuals for everyone
Home >> Chrysler >> 2004 >> Crossfire Automatic >> Repair and Diagnosis >> Engine Performance >> System >> Engine Controls - Electrical Diagnostics >> Diagnosis And Testing >> DTC P0175: Fuel System 2/1 Lean Control Bellow Limit (At Idle) >> Circuit Diagram & Connector Identification

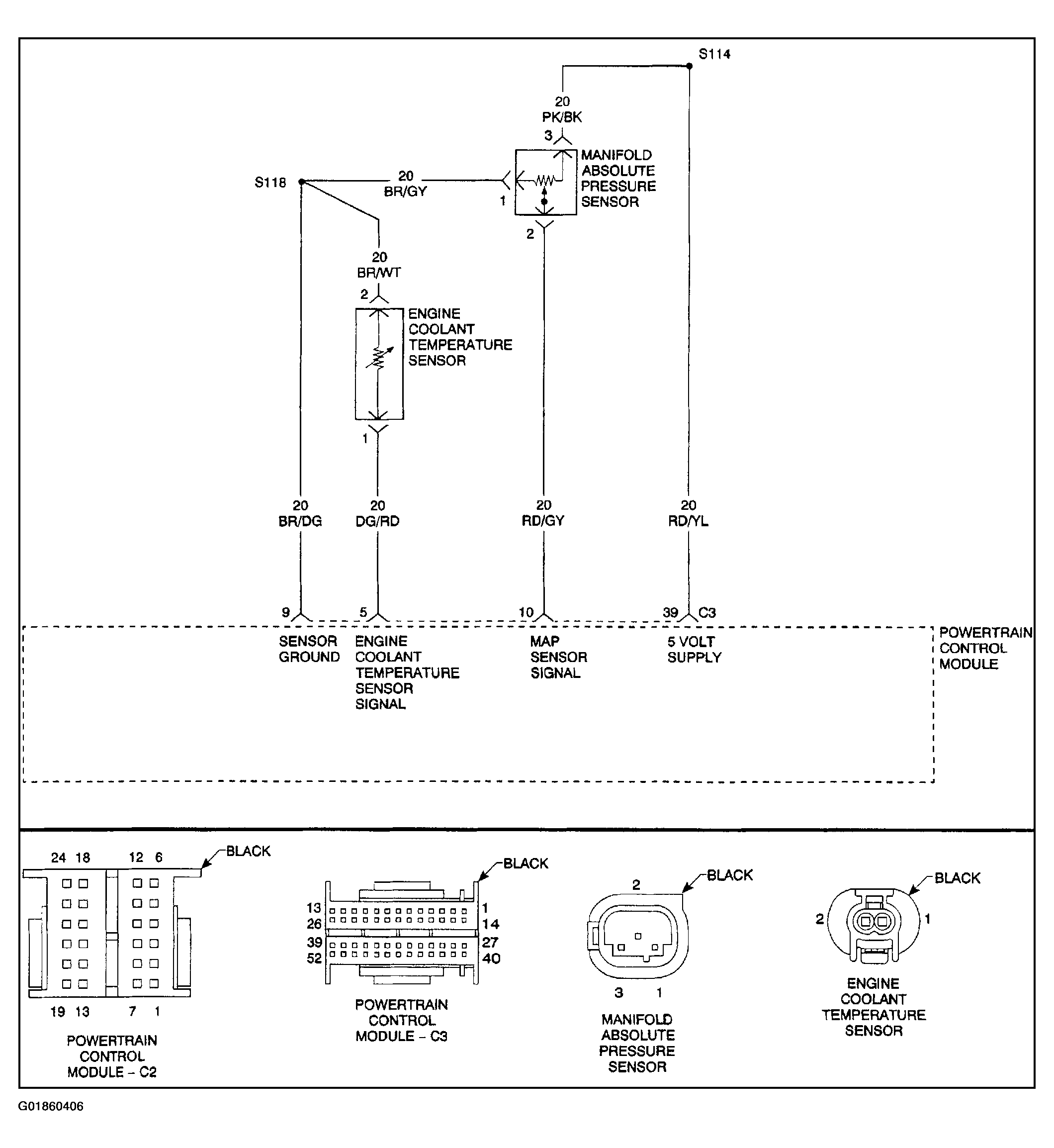
Circuit Diagram & Connector Identification

Fig 1: Identifying DTC P0175 Circuit Diagram & Connector Identification
G01860406Courtesy of DAIMLERCHRYSLER CORP.