LEMON Manuals: Even more car manuals for everyone
Home >> Chrysler >> 1983 >> Imperial >> Repair and Diagnosis >> Engine Performance >> System >> Combustion Control Computer >> Wiring Diagrams

Wiring Diagrams

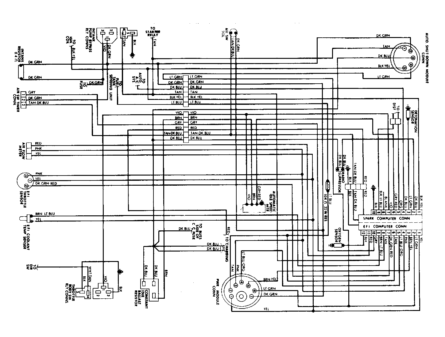
Fig 1: Combustion Control Computer Wiring Diagram
G123