LEMON Manuals: Even more car manuals for everyone
Home >> Chrysler >> 1982 >> Imperial >> Repair and Diagnosis >> Engine Performance >> Engine Control Systems >> Combustion Control Computer >> Adjustment >> Calibration Verification

Calibration Verification

NOTE: This procedure can be used to verify that the computer is operating properly. Engine must be at normal temperature.
  1. Air cleaner cover must be tight and exhaust system must be checked to ensure no leaks or holes exist. Connect EFI tester to system and connect a CO meter to tailpipe.
  2. Remove air pump hose from downstream air injection tube and plug tube. Connect diagnostic aid to AIS motor. Start engine, leave transmission selector in "P", and place speed control switch in manual position. Idle for at least 90 seconds.
  3. Disconnect oxygen sensor wire and ground wiring harness side of connector. Increase engine speed to 2000-2500 RPM and hold it constant with diagnostic aid control.
  4. CO reading must be between 0.5-3.5%. If higher than 3.5%, replace computer.
  5. Remove test equipment and reconnect air injection tube.
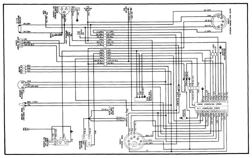
Fig 1: Combustion Control Computer Wiring Diagram
G09340173Courtesy of CHRYSLER GROUP, LLC